Hi an alle, Habe mal eine Frage, und zwar ob mir jemand zu beigetelltem Bild ein Platinenlayout erstellen kann ?? Vorzugswese standartbauteile, oder aber smd's. Platine ist etwa 25x25 mm gross. zusätzlich sollen noch 2 ATX-Stecker/Buchse mit dran. 90 grad versetzt. Wäre nett, wenn sich jemand melden würde. MfG
Hallo Poste bitte eine Zeichnung deines gewünschten mechanischen Aufbaus, also der Anordnung der Bauteile auf der Platine. :)
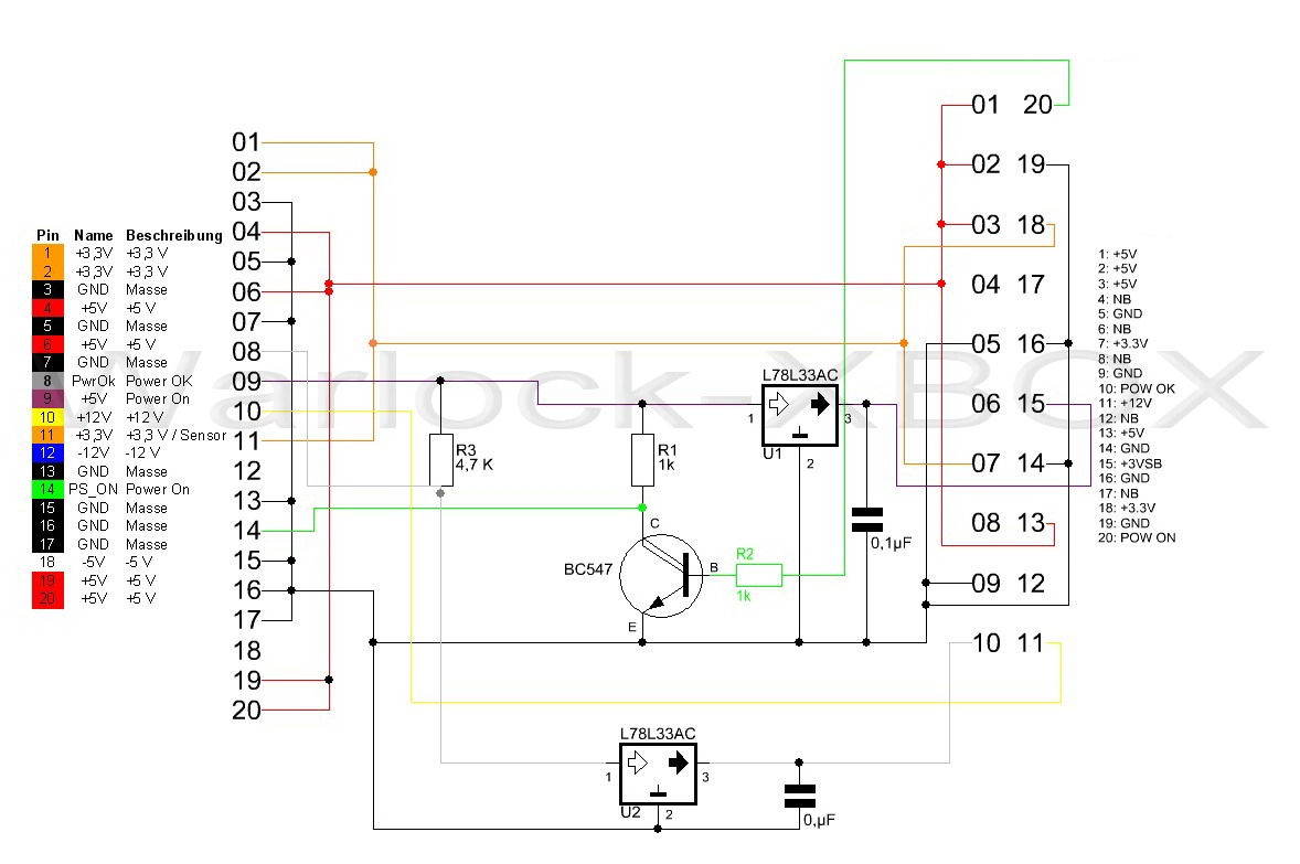
Dies ist das eigendliche Bild / Entwurf. Sry, bin nicht so das Genie was zeichnen angeht, sonst würde ich selber mit Eagle arbeiten. als 2's wäre zusätzlich noch eine Platine im Raum, welche nur die Kontakte (4 pro seite) hat. (vom ersten Schaltplan links 8,9,14,16 und rechts 5,10,15,20) Grz
Dies ist das eigendliche Bild / Entwurf. Sry, bin nicht so das Genie was zeichnen angeht, sonst würde ich selber mit Eagle arbeiten. als 2's wäre zusätzlich noch eine Platine im Raum, welche nur die Kontakte (4 pro seite) hat. (vom ersten Schaltplan links 8,9,14,16 und rechts 5,10,15,20) Grz
Bitte melde dich an um einen Beitrag zu schreiben. Anmeldung ist kostenlos und dauert nur eine Minute.
Bestehender Account
Schon ein Account bei Google/GoogleMail? Keine Anmeldung erforderlich!
Mit Google-Account einloggen
Mit Google-Account einloggen
Noch kein Account? Hier anmelden.

