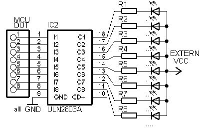
Hallo zusammen. Ich habe eine ganz simple Frage bezogen auf den Schaltplan im Anhang. Die LEDs, die ich ansteuern möchte, liegen alle an Masse und nicht auf Plus. Gibt es ein IC, das ich zwischen IC2 und die Widerstände schalten kann? Oder kann man den ULN2803A sogar gegen einen anderen ersetzen? Die Signale die das MCU ausgibt sind alle GND.
Sink- oder Sourcetreiber das ist hier die Frage. uln2981 - uln2984 könnten interessant sein.
Wieviel Strom brauchen die LEDs denn? Bis 20mA kannst Du direkt aus einem AVR-Pin saugen (40mA max. / 200mA pro Port) und Du kannst wählen, ob die LEDs an Vcc oder Masse liegen. Die Invertierung geschieht in Software. Dann braucht Du gar kein externes IC.
Zwischen AVR und Treiber-IC soll eine Schnittstelle (9pol seriell). Ich habe verschiedene LED-Anwendungen die ich universell an dem AVR betreiben will. Pro Kanal fließen gerne mal bis zu 300mA. Link zur Steuerung: http://www.hoelscher-hi.de/hendrik/light/dmxled.htm
Bitte melde dich an um einen Beitrag zu schreiben. Anmeldung ist kostenlos und dauert nur eine Minute.
Bestehender Account
Schon ein Account bei Google/GoogleMail? Keine Anmeldung erforderlich!
Mit Google-Account einloggen
Mit Google-Account einloggen
Noch kein Account? Hier anmelden.
