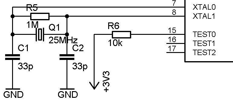
Hallo zusammen, was wirkt der parallele Widerstand zum Oszillator??
Damit der Inverter, der die aktive Komponente des Oszillators darstellt, im linearen Bereich operiert. Also in dem Übergangsbereich genau zwischen high und low. Oft ist der Widerstand im IC integriert. http://en.wikipedia.org/wiki/Pierce_oscillator
Quarzkochbuch in Deutsch von Bernd Neubig & Wolfgang Briese. Download unter: http://www.axtal.com/info/buch.html Kapitel 6, Seite 17 Arno
Bitte melde dich an um einen Beitrag zu schreiben. Anmeldung ist kostenlos und dauert nur eine Minute.
Bestehender Account
Schon ein Account bei Google/GoogleMail? Keine Anmeldung erforderlich!
Mit Google-Account einloggen
Mit Google-Account einloggen
Noch kein Account? Hier anmelden.
