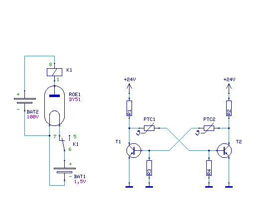
Hallo, habe hier mal zwei recht sinnfreie Schaltungen aufgemalt: 1. Eine Röhrendiode wird geheizt, nach einiger Zeit zieht das Relais an und der Heizstromkreis wird unterbrochen. Das Relais fällt nach einiger Zeit ab und das Spiel wiederholt sich. 2. Die Schaltung sieht ähnlich aus wie ein astabiler Multivibrator. Die Kondensatoren sind durch Kaltleiter ersetzt. Dies Schaltung sollte bei geeigneter Bauteildimensionierung eine Schwingung produzieren. Fallen euch ähnliche Schaltungen mit "modernen Bauelementen" die eine Schwingung erzeugen ein?
Hier eine einfachere Schaltung zum Erzeugen von Schwingungen. Sicherung fliegt raus, wird wieder reingedrückt, fliegt raus.....
Hab ich mal im Netz gefunden; Sich selbst speisende LED Blitzleuchte. Nach einigem Pröbeln mit dem Nachbau und verschiedenen LED's funktionierte es schliesslich tatsächlich.
Laut Text unter der Zeichnung blinkt die LED nur, wenn man sie in hellem Licht plaziert. Toll, da wirkt es dann besonders :)
Wenn man die Schaltung aus dem Licht nimmt, blitzt sie noch kurz weiter. Ist halt nur eine Spassschaltung ohne praktische Anwendung ;-)
Bitte melde dich an um einen Beitrag zu schreiben. Anmeldung ist kostenlos und dauert nur eine Minute.
Bestehender Account
Schon ein Account bei Google/GoogleMail? Keine Anmeldung erforderlich!
Mit Google-Account einloggen
Mit Google-Account einloggen
Noch kein Account? Hier anmelden.


