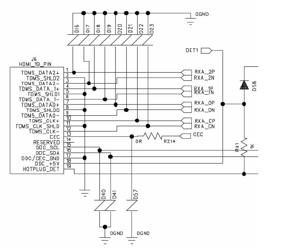
Hallo, ich brauche kurz Eure Hilfe. Was sind das für Bauteile auf beigefügtem Bild. Es ist ein Ausschnitt aus dem Datenblatt des AD9388A von Analog Devices. Gemeint sind die Dioden (?), zum Beispiel D57. Sollen das Zener Dioden sein? Habe dieses Symbol bisher nirgends gesehen. Wenn ja, welchen Zweck haben sie? Grüße aus Berlin Jan
Transil-Dioden zur Ableitung von statischer Aufladung? Kannst auch VDRs nehmen.
Nein, lieber eProfi, Transil-Dioden kannste nicht durch VDR ersetzen. Die Dioden haben ca. 5 pF Kapazität, die VDR haben ca. 1 nF. Gut, bei Telefon und Tonfrequenzsignalen bis 20 kHz mag' das gehen, sonst nicht.
Bitte melde dich an um einen Beitrag zu schreiben. Anmeldung ist kostenlos und dauert nur eine Minute.
Bestehender Account
Schon ein Account bei Google/GoogleMail? Keine Anmeldung erforderlich!
Mit Google-Account einloggen
Mit Google-Account einloggen
Noch kein Account? Hier anmelden.
