Hallo Leute! und schon nerve ich wieder mit einer meiner Fragen g Ich habe schon ein wenig gesucht, aber nix so richtig passendes gefunden. Ich möchte gern viele 7-Segment-Anzeigen (30-40) an meinen AVR hängen. Bis jetzt wollte ich das statisch mit schieberegistern machen das wird aber schon von der verdrahtung her zu aufwendig. Deshalb beschäftige ich mich jetzt doch mit dem Multiplexen. Sagt mit doch bitte erstmal ob mein Verständniss davon richtig ist: 1. Ich verbinde die entspr. Segmente mehrerer Anzeigen mit einander. Also z.B. a von Anzeige 1 mit a von Anzeige 2 mit a von Anzeige 3 usw. 2. Ich bastel Transistoren an die Kat. der einzelnen Anzeigen. Nun Lade ich per Software das 1. Zeichen in das Schiebergister. Dann schalte ich den Transistor der 1. Anzeige an und den rest aus. Dann das 2. Zeichen und den 2. Transistor... usw. Nun meine Fragen: Wie "schnell" muss das gehen, damit man das flimmer nicht sehen kann? Wieviele Anzeigen sollte ich maximal zusammen schalten...? Wie sieht es mit der Helligkeit aus?
als grobe Richtwerte: Wiederholung schneller als 50Hz, Ansteuerzeit der einzelnen LED > 10% (entspricht also zehn Anzeigen, für deine 40 mußt du halt immer vier gleichzeitig ansteuern). grüsse leo9
Hi, Sascha Also das mit den 30-40 anzeigen ist überhaupt kein problem Ich würde dir empfehlen einen 1aus16 dekoder zu verwenden das spart i/o leitungen. Angenommen du verwendest 40 Anzeigen dann brauchst du 8 leitungen für die 7 Segmentanzeige + Dezimalpunkt 4 Leitungen für den BCD decoder und 3 leitungen für den cs der decoder wenn du dann noch mit einen 1 aus 16 decoder die cs der anderen dekoder ansteuerst, kannst du mit dieser methode mit 16 i/o Leitungen bis zu 256 anzeigen ansteuern. Um vorzustäuschen das alles Leds gleichzeitig leuchten rate ich dir eine wiederholfrequenz von ca 60Hz. Es gibt jedoch 1 Problem Die Helligkeit Du solltest von vorhinein Leds mit einer höheren Helligkeit verwenden. Und den Strom der Led erhöhen. Dazu musst du das Datenblatt der Led´s studieren. Ich hab mal vor Jahren mit dieser Methode 110 7-Segment anzeigen angesteuert. Der Strom der sich ergab war 100mA Helligkeit der Leds 2,2mcd Hoffe dir geholfen zu haben Ciao, Rüdiger
Hallo! Danke für die Antworten! @Rüdiger "Also das mit den 30-40 anzeigen ist überhaupt kein problem Ich würde dir empfehlen einen 1aus16 dekoder zu verwenden das spart i/o leitungen. Angenommen du verwendest 40 Anzeigen dann brauchst du 8 leitungen für die 7 Segmentanzeige + Dezimalpunkt 4 Leitungen für den BCD decoder und 3 leitungen für den cs der decoder wenn du dann noch mit einen 1 aus 16 decoder die cs der anderen dekoder ansteuerst, kannst du mit dieser methode mit 16 i/o Leitungen bis zu 256 anzeigen ansteuern." Bahnhof ?!
Hallo beisammen also das mit dem Multiplexen is wohl nur in der Theorie so einfach. Beim Multiplexen so vieler Displays wird jede nur noch sehr kurz angesteuert. Das geht auf die Helligkeit. Ich bezweifle, daß man bei 40 Displays noch was lesen kann. Beispiel Durchlauf 0.5s = 0.5:40 = 12.5ms. Das wäre von der Einschaltdauer zwar ok, ist aber wahrscheinlich zu langsam um ein "stehendes Bild" zu bekommen. Wie oben angegeben 50 Durchläude pro Sekunde: 20ms :40 500us Einschaltdauer. Erscheint mir jedenfalls zu kurz, der Strom durch die Dioden muß auf jeden Fall sehr hoch sein. Gerhard
...im Datenblatt steht: Peak Forward Current: 155 mA 1/10 Duty Cycle, 0.1ms Pulse Width Was genau bedeutet das mit dem 1/10 ?
Duty cycle bedeutet Tastverhältnis, also bezogen auf 1 Sekunde wären das 100ms ein, 900ms aus. Vermutlich bezieht es sich auf die 155mA Strom - die im Normalfall keine LED im Dauerbetrieb kann. Gerhard
Der 1 aus 16 Dekoder dekodiert den BCD Code sprich er hat 4 eingänge und 16 Ausgänge Kannst dir mal das Datenblatt von dem Teil ansehen z.b HEF 4515B (aktiv low) oder der 4514 (aktiv high) Gerhard Glaub mir das funktioniert einwandfrei mit den 40 Anzeigen wie ich schon schrieb hab ich das mit 110 Anzeigen schon realisiert und funktioniert heute noch trotz erhöhten strom denn die Leds halten kurzzeitig 100mA aus Sascha die daten die du hast sind schon die richtigen das heisst nichts anderes das du durch die led max 155mA 1/10 Sekunde (=100ms) schicken darfst Welche helligkeit besitzt die Anzeige Werte über 2 mcd sind super jedoch bei 40 Anzeigen denke ich mal nicht zwingend Ciao, Rüdiger
Hab noch was vergessen Was willst du noch so nebenbei mit dem Controller machen Denn in solchen fall sollte man einen eigenen Controller abstellen der nur die Anzeige übernimmt. Denn bei zu großen rechenaufgaben kann es passieren das die Anzeige flackert
also im Datenblatt steht: 1,6 mcd @ 10mA Forward Current ist 30mA es handelt sich dabei um "Super Bright Red" sollte also klar gehen, denke ich, oder ? Ich sauge garde das Datenblatt des 4514. Da gibt es etwas, was mich schon läger beschäftigt. Es gibt da einen "74HC4514" und einen "74HCT4514". Wo ist da eigentlich der Unterschied. Nebenbei soll der Controller eigentlich nur Drehimpulsgeber einlesen, die Werte auf den Displays entsprechend verändern und per RS232 an einen PC schicken. (Ein Mega8 dürfte reichen, oder ?) Wenn ich es richtig verstanden habe, dann wird es mit diesem BCD-Decoder wieder statisch. Aber da habe ich doch bei dieser Anzahl von LEDs ganz schnell einen Verbrauch von >2A. Mit dem Multiplexen könnte ich doch da ein wenig sparen, oder? Außerdem könnte ich ja dann per Software noch ein wenig an der Helligkeit drehen...
Hi Leute, MAX7219??? Lässt sich kaskadieren, speichert selber zwischen usw. einziger Haken: kostet ziemlich viel. http://www.maxim-ic.com/quick_view2.cfm?qv_pk=1339 Gruß AxelR
Ich würde zum Segment-Multiplex raten. Dann ist das Tastverhältnis (Stromspitzen) mit 1/8 noch beherrschbar. Die Stellen (Anoden) dann mit 5* 74HCT595 und 40* npn-Treibertransistoren + 40* Strombegrenzerwiderstände ansteuern und die Segmente (Kathoden) mit 8* pnp-Treibertransistoren von einem weiteren 74HCT595. Dann brauchts nur 3 Leitungen vom MC. Peter
Hallo Peter! Ich verstehe deine Ausführungen nicht so ganz. Bei 40 Anzeigen habe ich 40*8 = 320 Anoden. (mit dezi-punkt) "Die Stellen (Anoden) dann mit 5*74HCT595 und 40*npn-Treibertransistoren + 40* Strombegrenzerwiderstände" Wie kommst du auf 40 Anoden?? "die Segmente (Kathoden) mit 8* pnp-Treibertransistoren von einem weiteren 74HCT595." ...und wie hier auf 8?? Was von welcher Anzeige soll ich nun miteinander verbinden??
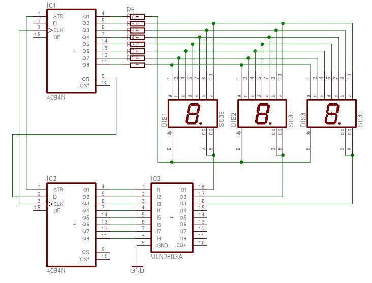
...also nochmal zur Verdeutlichung. Ich hätte mir das so gedacht. Ist das in Ordnung, oder totaler Mist, oder sollte ich es irgentwie anders machen? Meine Frage wäre noch: Wieviele Displays sollte/kannn ich so maximal "Zusammenfassen" ?
vom Prinzip ist die Schaltung nicht schlecht, aber: *) Welchen LED-Strom peilst du an ? Ein ULN kann ca. 500mA -> max. 60mA pro LED. *) 4094 kann (glaub ich) nur einzelne Milliampere, unbedingt mit Datenblatt abklären. Ansonsten würde ich die Schaltung so verwenden, mehr als zehn Digit würde ich nciht parallel schalten und Refresh sollte über 50Hz liegen. grüsse leo9
@Sascha, die 7S-Anzeigen haben doch keine 16 Anschlüsse, d.h. entweder alle Anoden oder alle Katoden der 8 LEDs sind zusammen verbunden (meistens die Anoden). Somit hast du einen Anodenanschluß je Digit und 40 bei 40 Digits. Dann werden alle 40 "A"-Segmente zusammengeschaltet, alle 40 "B"-Segmente usw., daß ergibt dann 8 Segmentanschlüsse. Und diese 8 Segmente werden gemultiplext, d.h. für 12,5% der Zeit werden alle "A" angeschaltet (Low-Pegel, da Katode), dann alle "B" usw. Und nur dann wenn im Schieberegister die Anoden des Digits auf High sind, leuchtet in diesem Digit Segment "A" usw. Die Treibertransistoren arbeiten in Kollektorschaltung als Stromverstärker. Das ist das Prinzip des Multilplexens. Peter
gut... jetzt habe ich's (glaube ich) verstanden. Die Anzeigen, die ich bestellen möchte haben eine gemeinsame Kathode. Dazu bräuche ich jetzt doch einen (40) pnp-Transistor(en) der/die ~1A kann/können. Kann mir jemand einen Typ nennen? und dann gleich noch einen npn mit ~150mA MfG Sascha
....fast vergessen: gibt's sowas auch als fertigen IC (wie z.B. ULN2803A) aber mit halt 1A. oder gleich einen ULN verwenden und immer 2 Treiber zusammen schalten?
...hhmmmm mist: jetzt habe ich oben wieder PNP und NPN vertauscht grr Also als NPN würde ich jeweils 2 Ausgänge eines ULN2803A'S nehmen und damit die gemeinsame Kathode schalten. Jetzt bräuchte ich nur noch einen PNP-Typ mit dem ich die ca. 150mA der Anode (die einzelnen Segmente) schalten kann. Könnte mir da jemand einen Typ nennen? MfG Sascha
Hier nochmal die Rechnung:
Bei einem Mittelwert von 2mA ergibt sich:
Pulsstrom der 40 Digittreiber: 8 * 2mA = 16mA
Pulsstrom der 8 Segmenttreiber: 40 * 16mA = 640mA
Probe: 8 40 2mA
= 40 * 16mA
= 640mA
Als Segmenttreiber geht dann der BC368 (max 1A)
Und für Bastlerzwecke kann man die 16mA dem 74HC595 direkt entnehmen.
Peter
hm... Bei einem Mittelwert von 2mA ergibt sich: Pulsstrom der 40 Digittreiber: 8 * 2mA = 16mA Pulsstrom der 8 Segmenttreiber: 40 * 16mA = 640mA g verstehe ich nicht... Also... du geht davon aus das eins der acht Segmente mit 2mA betreiben wird. Das bedeudet das eine komplette Anzeige (digit?) maximal 16mA braucht. Aber wieso dann "40 * 16mA"?? Es ist doch immer nur eine Anzeige auf einmal an und ein Segment braucht 2mA ? Oder verstehe ich dich komplett falsch? Ich hätte den Pulsstrom für eine LED (Segment) mit ~100mA angesetzt. Sonst wird's doch zu dunkel, oder ??
Hi, ich noch mal, wegens der MAX7219: bei 40 Anzeigen brauchste 5 Stück, macht ca.50Euro, wirklich zu teuer?? Brauchste keine PNP oder NPN transistoren, schon gar keine 40Stück. Ausserdem sparste 'ne Menge Overhead im Controller. Sieh wenigstens mal ins datenblatt. Ich mein ja nur... Gruß an alle AxelR PS. Was kostet so ein BC368? Hab nachgesehen. Ja,gut: 6Cent bei Reichelt -einverstanden- macht zusammen 2.40 Euro und keine 50.
Bitte melde dich an um einen Beitrag zu schreiben. Anmeldung ist kostenlos und dauert nur eine Minute.
Bestehender Account
Schon ein Account bei Google/GoogleMail? Keine Anmeldung erforderlich!
Mit Google-Account einloggen
Mit Google-Account einloggen
Noch kein Account? Hier anmelden.
