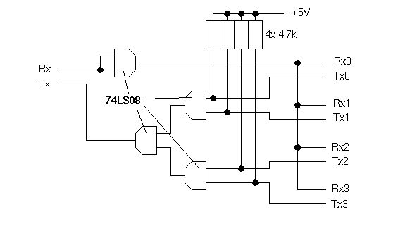
Hallo an alle, ich brauche einen Rat vom Profi. Wie kann ich ab besten eine TTL Multiplex Schaltung realisieren. Ähnlich wie auf der Schema (siehe Bild) aber nur mit zwei ODER Gatern und mit 3,3V Spannung. Für alle Antworten werde ich sehr dankbar! MfG Sturdent
>Ähnlich >wie auf der Schema (siehe Bild) aber nur mit zwei ODER Gatern und mit >3,3V Spannung. Abgesehen davon, dass ich die Schaltung für unsinnig erachte: Statt der LS-Reihe eine 3V3-taugliche Reihe nehmen und alles mit 3V3 versorgen?
@lippy Es geht wohl darum drei Slaves vie serielle Schnittstellen an einen Master anzuschließen. Im Ruhezustand sind TX und RX auf 1. @Student Mit nur zwei Oder Gattern lässt sich die Schaltung nicht nachbauen, weder in 3,3V noch in 5V.
Wem das mit Gattern zu kompliziert ist, der nimmt statt dessen 4 kleine Schottky-Dioden (BAT4x) oder notfalls auch 1N4148 und einen Widerstand.
Hallo nochmal, danke für die schnelle Antworten aber ich habe noch ein Paar fragen: >Statt der LS-Reihe eine 3V3-taugliche Reihe nehmen und alles mit 3V3 >versorgen? Eine 3V3-taugliche Reihe gibt es nicht, zumindest habe ich keine gefunden. Und LS-Reihe macht UND Gatern aber ich brauche ODER. >Es geht wohl darum drei Slaves vie serielle Schnittstellen an einen >Master anzuschließen. Im Ruhezustand sind TX und RX auf 1. Genau! Besser könnte ich auch nicht sagen. Ein UART Master und zwei Slaves mit ODER Schaltung. INPUT OUTPUT A B MASTER MASTER A B 0 0 0 0 0 0 0 1 1 1 1 1 1 0 1 1 1 1 >Wem das mit Gattern zu kompliziert ist, der nimmt statt dessen 4 kleine >Schottky-Dioden (BAT4x) oder notfalls auch 1N4148 und einen Widerstand. Die Gattern sind wirklich für mich kompliziert. Ich bin totaler Anfänger. Deswegen verstehe ich leider auch nicht wie es mit Schottky-Dioden funktionieren soll. @ A. K. (prx) kannst du es mir bitte erklären. @ GehtDas. Deine Schema könnte ich leider nicht entziffern. Vielleicht kannst du sie mir ein wenig erläutern. @ ALL Danke!
Mit ODER ist der Ausgang nur dann mal "0", wenn alle angeschlossenen Tx gleichzeitig(!) senden. Denn wenn einer nicht sendet, dann ist dessen Pegel "1" und der Ausgang folglich auch. Gewöhne dich an den Gedanken, dass inaktive UARTs auf "1" liegen. Die Dioden-Variante nennt man auch "wired AND".
@ A. K. (prx) vielen herzlichen Dank! Du hast mir sehr geholfen
und du hast natürlich Recht. Die inaktive UARTs liegen tatsächlich
auf "1".
In meinem Fall muss es dann so aussehen:
INPUT OUTPUT
A B MASTER MASTER A B
1 1 1 0 0 0
0 1 0 1 1 1
1 0 0
1 1 0
Ich habe noch alle letzte Frage: Funktioniert deine Schema in beide
Richtungen bzw. kann ich auch so etwas machen?
. VCC
+
|
|
.-.
| |4K7
| |
'-'
|
|
Tx o------o------>|------o Rx1
|
| BAT42
|
'------>|------o Rx2
Danke!
Nein. Die Schaltung der anderen Richtung ist etwas einfacher ;-) :
Tx o------o-------o Rx1
|
|
'-------o Rx2
@ A. K. (prx) noch mal tausend Dank!
Wenn es so schön ist, habe ich noch eine klitzekleine :) Frage:
Gibst es eine Möglichkeit einen Diod wegzulassen? Weil ich eine
Platine zu verändern versuche wo ein Leiterbahn fest verlötet ist
und Platine aufzubohren zu kompliziert sein wird. Irgendwie sowas?
VCC
+
|
|
.-.
| | ??
| |
'-'
|
|
Tx o------o------------------o Rx1
|
|
|
'------- ?? -------o Rx2
Oder ist es ein völliger Schmarn???
Soll das ein Witz sein? Wo in
Tx o------o-------o Rx1
|
|
'-------o Rx2
findest du eine Diode? Ich sehe da nur etwas Draht.
In der anderen Richtung (s.o.) ist für jeden Tx-Anschluss eine Diode
nötig. Und es kann wirklich keine davon weggelassen werden.
Bitte melde dich an um einen Beitrag zu schreiben. Anmeldung ist kostenlos und dauert nur eine Minute.
Bestehender Account
Schon ein Account bei Google/GoogleMail? Keine Anmeldung erforderlich!
Mit Google-Account einloggen
Mit Google-Account einloggen
Noch kein Account? Hier anmelden.
