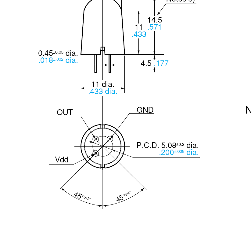
Hallo, eine kurze Frage zum Pin-Out von diesem PIR-Sensor: http://www.produktinfo.conrad.com/datenblaetter/500000-524999/504928-da-01-en-PIR-BEWEGUNGSSENS_WEISS_5M_AMN31112J.pdf Im Anhang hab ich das Pinout kopiert (von Seite 6). Ich nehme an, es handelt sich um einen Bottom-View? Stimmts, oder falsch geguckt? Ich finds nicht so perfekt dokumentiert. Sebastian
>Ich nehme an, es handelt sich um einen Bottom-View?
Bauteile werden immer im Top View angegeben.
aber dann würden doch die beiden Kerben oben und unten anders dargestellt sein, oder?
Hi
>Bauteile werden immer im Top View angegeben
Träum weiter
MfG Spess
>aber dann würden doch die beiden Kerben oben und unten anders >dargestellt sein, oder? Bauteile werden immer im Top View angegeben. Falls nicht steht es im Datenblatt. Das würde ein schönes Chaos geben wenn der eine im Top View und der andere im Bottom View Bauteile malt. Keine Sau schaut beim layouten von unten auf die Platine.
also wer stimmt für bottom view? bottom: | top: |
Bottom view. Wenn's top view wäre, würde es dabeistehen. Ausserdem wäre dann die Zeichnung falsch, vonwegen unsichtbare Kanten und so...
Seh ich auch so, dann sollte mein kleiner Zweifel ausgeräumt sein, danke schön.
Hi >Bauteile werden immer im Top View angegeben. >Falls nicht steht es im Datenblatt. >Das würde ein schönes Chaos geben wenn der eine >im Top View und der andere im Bottom View Bauteile >malt. Keine Sau schaut beim layouten von unten >auf die Platine. Das ist von Hersteller zu Hersteller und von Datenblatt zu Datenblkatt verschieden. Wo ist bei einer Platine unten? MfG Spess
Bitte melde dich an um einen Beitrag zu schreiben. Anmeldung ist kostenlos und dauert nur eine Minute.
Bestehender Account
Schon ein Account bei Google/GoogleMail? Keine Anmeldung erforderlich!
Mit Google-Account einloggen
Mit Google-Account einloggen
Noch kein Account? Hier anmelden.
