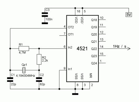
Hallo Leute, Ich versuche zur Zeit eine Cmos Digitaluhr aufzubauen. (http://blackstrom.derschwarz.de/schaltungen/digital_uhr/index.shtml) Nun habe ich mit dem Taktgeber angefangen, ihn nach Schaltplan aufgebaut. Die Funktionsweise ist mir eigentlich schon klar. Die Frequenz des Quarz wird durch 2^22 geteilt am Pin 14 des 4521 bereitgestellt. Hab das Ganze auf einem Steckbrett aufgebaut, betreibe die Schaltung mit 3Volt (laut Datenblatt des 4521 okay). Nun müsste ich doch einfach am Ausgangsport 14 mit einer LED (+Vorwiderstand) die Zustände "1" und "0" im 1Hz Takt darstellen können.. Ausgangsstrom bis zu 10mA/Pin liefert der 4521. Leider passiert garnichts. Was mach ich falsch ? danke für eure Hilfe
Sollte eigentlich bei 3V keine 4 MHz mehr teilen können. Probiere es mal mit 8Volt. Und berichte was dann passiert. Vorwiderstand LED dan bitte 6,8 kOhm hth, Andrew
> am Ausgangsport 14 mit einer LED (+Vorwiderstand) die Zustände > "1" und "0" im 1Hz Takt darstellen können. Wie herum ist die LED angeschlossen? (Quellstrom oder Senke).
Die Schaltung ist falsch, kann so nicht zuverlässig schwingen. R2 muß in Reihe zu Pin 4. R1 kann zu klein sein, besser 10M oder 22M (im Datemblatt steht 18M). Peter
R2 wird zu Null, die Kondensatoren sollen 12 ~ 15pF haben (quarzabhängig).
Und beachte, daß die vielen Milli-Amperes nicht bei solch niedriger Betriebsspannung fließen, sondern nur bei 15Volt und 25°.
# Wie herum ist die LED angeschlossen? # (Quellstrom oder Senke). Mit Anode an Pin 14, Kathode zur Masse @Peter Die Schaltung wurde anscheinend schon öfters nachgebaut, müsste eigentlich ja dann so funktionieren... Du und Wolf habt aber recht, im Datenblatt sieht des ganze anders aus. Hab genau die gleiche Schaltung allerdings auf einer anderen Homepage wiedergefunden... http://home.berg.net/opering/projekte/21/sch.gif Bei 8 Volt und höhrerem Widerstand passiert allerdings auch nichts.. edit_ @Wolf Ah okay das macht Sinn... allerdings müsste die LED doch schon ganz leicht leuchten. Im Dunkeln müsste man trotzdem etwas sehen können.. Es geht mir ja nur darum, kurz zu Checken ob da wirklich 1 Hz hinten rauskommt
Also im Toshiba-Buch wird R2 zu Null Ohm (=Drahtbrücke). Bei 5Volt Betriebsspannung soll I out high min 0,5mA haben und typisch 1mA, also recht wenig, bei Deinen 3Volt ist es nicht mehr spezifiziert. Bei I out low macht er nur gering mehr. Was mißt Du alles?
Bitte melde dich an um einen Beitrag zu schreiben. Anmeldung ist kostenlos und dauert nur eine Minute.
Bestehender Account
Schon ein Account bei Google/GoogleMail? Keine Anmeldung erforderlich!
Mit Google-Account einloggen
Mit Google-Account einloggen
Noch kein Account? Hier anmelden.
