Hallo, ich habe folgendes Problem: Ich möchte eine SD Karte am ATmega128 betreiben- (mmc.c von Radig und FAT16.c von Mikro-control. Allerdings habe ich das Problem das die Karte nur nach einem druck auf den Reset Taster korrekt Initialisiert wird. Beim "normalen" Einschalten d.h anlegen der Betriebsspannung wird die Karte nicht erkannt. Hat jemand eine Idee woran dies liegen könnte? Gruß Sascha
Die SD-Karte kann nicht sofort auf Kommandos reagieren. Du mußt schon mindestens 1ms mit dem Beginn der Ini. warten.
Probier mal ein kleines Delay von 100ms oder so vor der Initialisierung. Kann schon sein dass die Versorgungsspannung nicht so schnell stabil für die SD-Karte ist.
hab schon ein 500ms delay eingebaut hilft aber leider nichts..
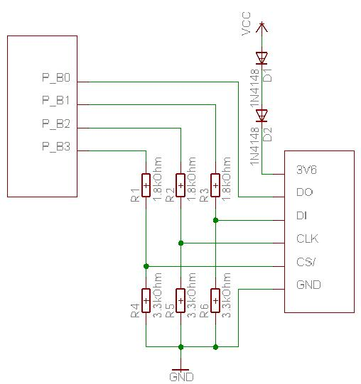
Habe die Schaltung laut Radig aufgebaut. 3,3V kommen allerdings vom Spannungswandler.
An DO der Karte muß ein PullUp von 4,7k...10k. Die Karte muß mit einer Geschwindigkeit <= 400kHz initialisiert werden. Es müssen genügend Clocks bei der Init gesendet werden, und zwar so lange, bis die Karte korrekt antwortet.
Bitte melde dich an um einen Beitrag zu schreiben. Anmeldung ist kostenlos und dauert nur eine Minute.
Bestehender Account
Schon ein Account bei Google/GoogleMail? Keine Anmeldung erforderlich!
Mit Google-Account einloggen
Mit Google-Account einloggen
Noch kein Account? Hier anmelden.
