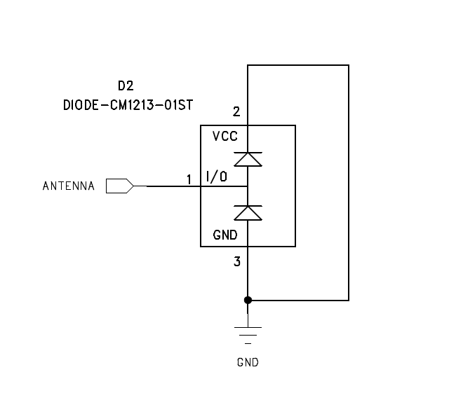
Hallo, das angehängte Bild zeigt die Schutzbeschaltung des Antenneneingang eines FM-Tuner ICs (si4701). In der Application Note des Herstellers wird die Low Capacitance ESD-Diode CM1213-01ST verwendet. Für dieses Teil finde ich keine Bezugsquelle und suche nun nach einem vergleichbaren Ersatztyp (bei Farnell, CSD, Reichelt...). Leider weiß ich nicht, welche Werte - außer der niedrigen Kapazität von unter 1pF - für diese Anwendung entscheidend sind. Kann mir hier jemand auf die Sprünge helfen? Bei Farnell finden sich zwar diverse TVS-Dioden mit C <= 1.0pF, allerdings sieht hier meist die interne Konfiguration der Dioden anders aus. Danke & Gruß Daniel
Hallo, Hast du dich schon für eine Diode entschieden? Ich stehe momentan vor dem gleichen Problem. Danke & Gruß Patrick
ST USBLC6-2 (Doppeldiode, direkter Ersatztyp für CMD CM1213-02) USBLC6-4 (Vierfachdiode, direkter Ersatztyp für CMD CM1213-04) ON Semiconductor NUP4201MR6 (Vierfachdiode, direkter Ersatztyp für CMD CM1213-04) NXP PESD5V0U1UT (direkter Ersatztyp für CMD CM1213-01)
@Greindl: Ich habe die PRTR5V0U2X von NXP gewählt. Die scheint auch zu funktionieren :-) Gruß Daniel
Bitte melde dich an um einen Beitrag zu schreiben. Anmeldung ist kostenlos und dauert nur eine Minute.
Bestehender Account
Schon ein Account bei Google/GoogleMail? Keine Anmeldung erforderlich!
Mit Google-Account einloggen
Mit Google-Account einloggen
Noch kein Account? Hier anmelden.
