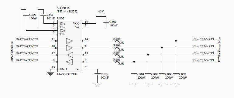
Hallo, ich habe hier als RS-232 Transceiver einen MAX3232. In dem Bild im Anhang sind jetzt ein Widerstand und ein Kondensator bei den Datenleitungen eingebaut. Was bewirken diese? Schutz gegen Spannungsspitzen? Vielen Dank schon mal.
>Was bewirken diese? Schutz gegen Spannungsspitzen? Wohl kaum. >Vielen Dank schon mal. Bitte, gerne.
Hilfreicher Experte wrote: >>Was bewirken diese? Schutz gegen Spannungsspitzen? > > Wohl kaum. Wieso nicht?
Bitte melde dich an um einen Beitrag zu schreiben. Anmeldung ist kostenlos und dauert nur eine Minute.
Bestehender Account
Schon ein Account bei Google/GoogleMail? Keine Anmeldung erforderlich!
Mit Google-Account einloggen
Mit Google-Account einloggen
Noch kein Account? Hier anmelden.
