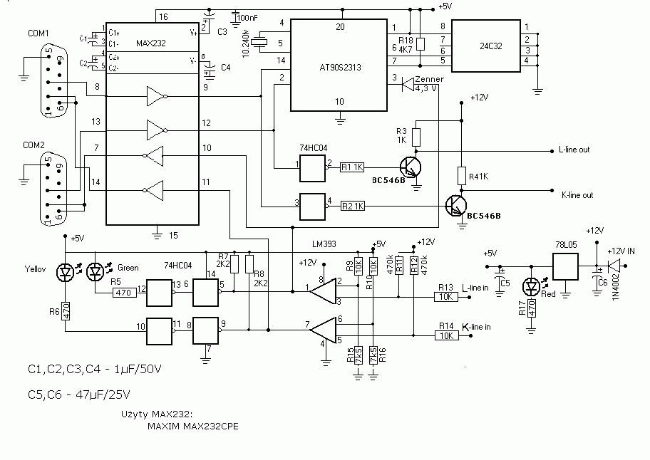
Hallo, möchte nicht ein USB Interface Kabel kaufen das mit dem FT2232D nach 2 x RS232. Ich würde gerne das Interface mit auf die Platine integrieren, nun weis ich aber nicht genau wie ich es an schliessen muss. Würde mich über Tipps bedanken. Gruß Frank
Bitte melde dich an um einen Beitrag zu schreiben. Anmeldung ist kostenlos und dauert nur eine Minute.
Bestehender Account
Schon ein Account bei Google/GoogleMail? Keine Anmeldung erforderlich!
Mit Google-Account einloggen
Mit Google-Account einloggen
Noch kein Account? Hier anmelden.
