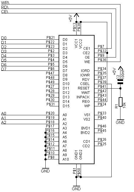
Hi, ich versuche eine Compact-Flash-Karte im Memory Mode (also 8 Datenleitungen) anzusteueren. Mein Problem: Wie muss ich die Steuersignale genau belegen? (Vor allem A0, A1, A2) Ich möchte von der CF-Card eigentlich nur Daten auslesen... P.S. Ich habe schon sehr viel "gegoogelt" aber noch nichts brauchbares gefunden...
Keien Ahnung was für ein Modus das ist, aber die Daten kommen als 8bit raus.
Thx, weiß jemand wie man die 5 Leitungen (WR\, RD\, CE\, A0, A1, A2) beschalten muss? In welcher Reihenfolge muss man bei der Read und ChipEnable - Leitung vorgehen?
Hi, du kannst mal auf meiner HP nachsehen: www.ralf-hochhausen.de Habe dort versucht, mal alles zu erklären. Weitere Infos gibt es aber auch bei sandisk oder diversen MP3-Projekten. Da habe ich auch meine Infos her. Hier im Forum wurde das ganze auch schon häufiger behandelt. Viele Grüße, Ralf
Bitte melde dich an um einen Beitrag zu schreiben. Anmeldung ist kostenlos und dauert nur eine Minute.
Bestehender Account
Schon ein Account bei Google/GoogleMail? Keine Anmeldung erforderlich!
Mit Google-Account einloggen
Mit Google-Account einloggen
Noch kein Account? Hier anmelden.
