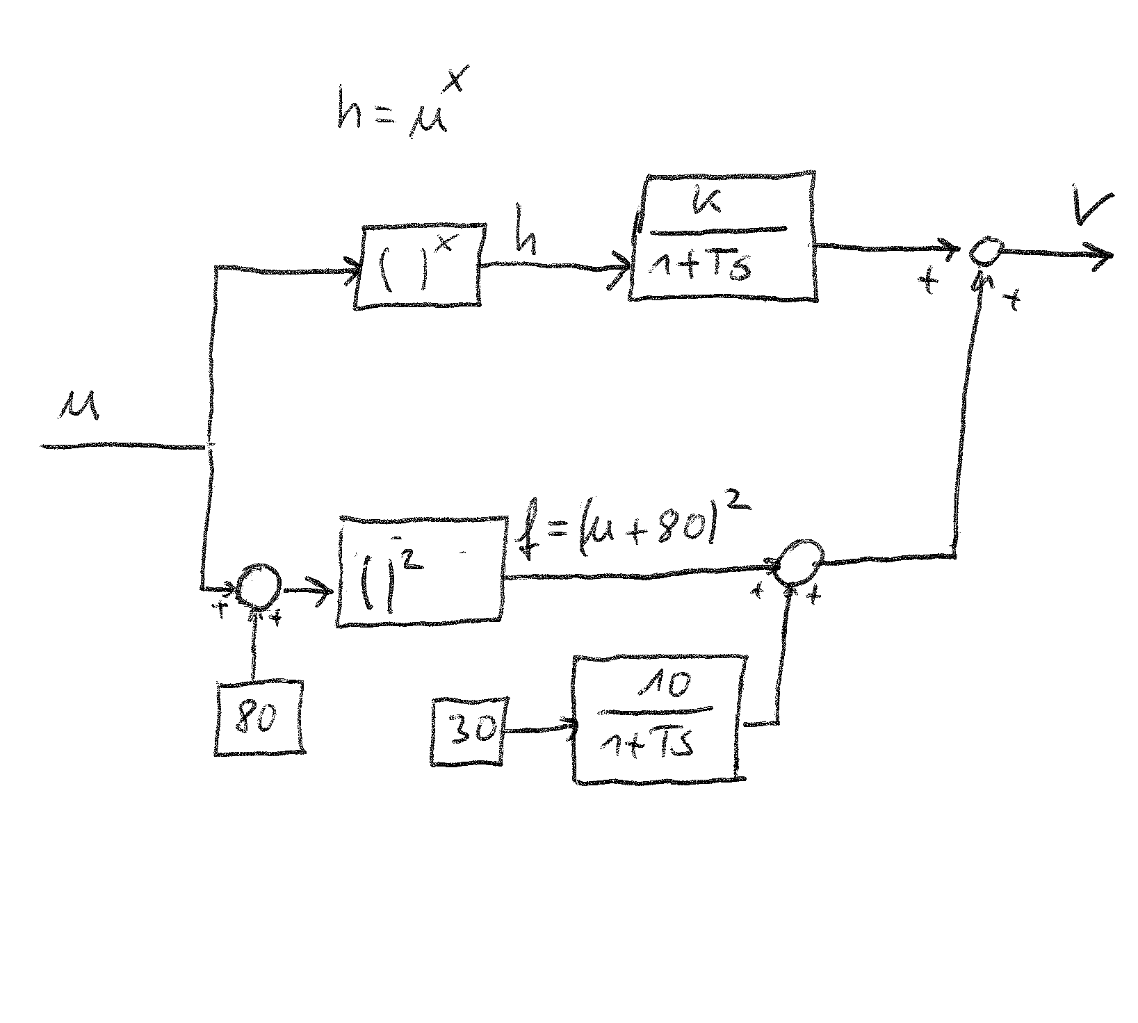
Regelungstechnik is nich so mein Ding... Desswegen frag ich lieber öffentlich. Ein P-T1 Glied kann man ja recht einfach in eine DGL umwandeln, aber wie geht das mit einem kompletten Regelkreis. Im Anhang habe ich mein Problem. Ich benötige eine Beziehung von u zu v.
Bitte melde dich an um einen Beitrag zu schreiben. Anmeldung ist kostenlos und dauert nur eine Minute.
Bestehender Account
Schon ein Account bei Google/GoogleMail? Keine Anmeldung erforderlich!
Mit Google-Account einloggen
Mit Google-Account einloggen
Noch kein Account? Hier anmelden.
