Hi, hier noch was zu den AD Wandlern. So denn
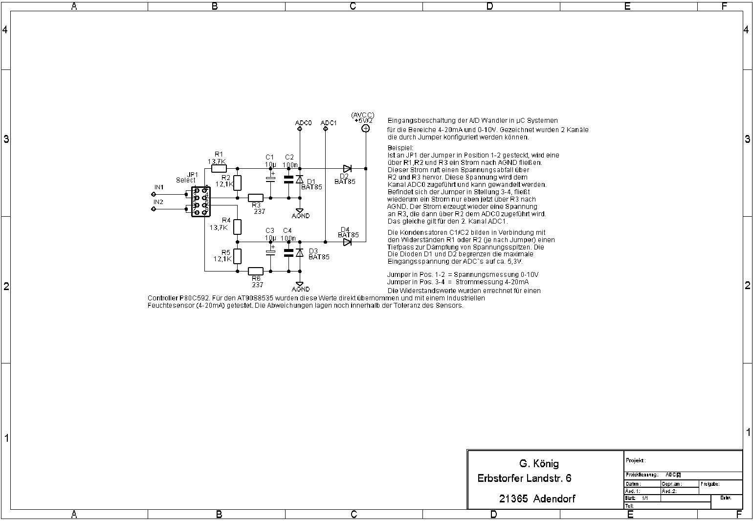
Hi, bin auf deine schematic gestoßen und fragen mich was für einen Widerstand R1 du genommen hast. Denn als Bauelemente gibt es nur einen 12k und der nächste ist der 15k Widerstand.
Reichelt???? = METALL 13,7K, kostet nicht die Welt, 8 Cent. Mfg Sascha
Danke, an Reichelt hab ich gar nicht gedacht, nur an Conrad Electronics. Kann man an deine Schaltung auch einen DS2450 von Dallas als 1-Wire A/D Converter problemlos anschließen? MfG Marta
Hallo, der DS2450 tut mit der Schaltung, hab ich im Einsatz! Aber ich frag mich warum überhaupt so "krumme" Widerstandswerte genutzt wurden. Ich hab das grad mal mit R1=9k1, R2=8k2 und R3=240 (alles wenigstens mal aus der E24 Reihe) durch gerechnet und die Spannungen für 20mA->4,800V und 10V->4,812V sind weit unter 1% identisch. egal, trotzdem danke für die Schaltung! Achim
Bitte melde dich an um einen Beitrag zu schreiben. Anmeldung ist kostenlos und dauert nur eine Minute.
Bestehender Account
Schon ein Account bei Google/GoogleMail? Keine Anmeldung erforderlich!
Mit Google-Account einloggen
Mit Google-Account einloggen
Noch kein Account? Hier anmelden.
