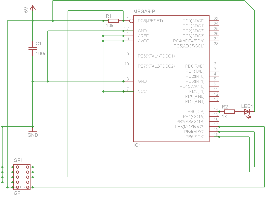
hi leute! nach langem zögern wende ich mich dann mal an euch... ich beobachte schon seit 2 wochen das Geschehen in diesem Forum und bin wirklich beeindruckt wie viele Leute sich mit soetwas auskennen!... naja auf jeden Fall möchte ich mit in diese Scene einsteigen, auch wennn ich noch Schüler bin. Ich habe in Keller ein kleine Werkstatt und bin mit Multimeter und Lötkolben usw ausgestattet.. nur ein Oscilloskop habe ich nicht ?! Die FReage brauche ich eins mein erstes Projekt soll eine kleine dcf uhr sein auf Lochraster... da ich mich vor 2 Wochen das erste mal mit dem Wort microcontroller befasst habe wollte ich erstmal mit der Grundschaltung anfangen... im anhang seht ihr einen Schaltplan, das erste mal mit eagle :D naja ich würde euch bitten das ganze mal durchzugucken und mir mal bescheid zu geben und sagen was gut gut ist und was nicht.. gruß und DAnke im Vorraus NoNever
Mir fällt spontan auf, daß das Leuchtverhalten der LED unbefriedigend sein könnte... Entweder schaltest du sie gegen Masse oder drehst sie um :) Ich hab auch grad ne DCF-Uhr programmiert. Finde ich als Einsteigerprojekt etwas kompliziert. Aber da ist ja jeder anders. Mach erstmal PWM und sowas ;) ... Oszi brauchst du für DCF nicht unbedingt, wenn dein Empfänger "halbwegs" zuverlässig läuft. Mußt dir halt ne geschickte auswertung der Impulse einfallen lassen. Bei meiner DCF-Uhr hab ich das Oszi nur einmal "aus Spaß" an das DCF-Modul gehängt um zu gucken, was raus kommt (war schrecklich ;) )...
ich habe mir das pollin Modul als dcf antenne bestellt zur led ich dachte immer die leds leuchten immer nur in eine Richtung?
LEDs leuchten ja auch nur in eine Richtung - du hast aber die Kathode an +5V gehängt - also falschrum.
NoNever schrieb:
> zur led ich dachte immer die leds leuchten immer nur in eine Richtung?
Stimmt, Leuchten tun se nur nach vorne;-)
Du musst sie in "Durchlassrichtung" Schalten. Also das Schaltsymbol
(Pfeil) muss von "+" nach "-" zeigen!
Entweder so lassen und nach GND schalten oder einfach umdrehen!
MFG Mixer
Jaja... das Pollin-Modul... Das benutze ich auch. Plan aber bei deiner Software reichlich Toleranz bei den Pulslängen ein. Da ist nix mit 100 und 200 ms... die kürzeste "1" war bei mr mal 120 ms und die kürzeste "0" 30 ms... aber läuft :) Zur LED: wie ne LED funktioniert muß bestimmt nicht erklärt werden ;). Aber wenn du jetzt auf den Controllerpin nen high gibst hast du vor und hinter der LED ungef. die gleiche Spannung und es passiert... "nichts". Wenn du nen low auf den Pin gibst sperrt die Led und es passiert... auch nichts! Steht aber auch im Tutorial. Das solltest du dir erstmal durchlesen, denk ich :)
AREF nicht beschalten. Hier ist doch schon alles fertig: http://www.mikrocontroller.net/articles/DCF77-Funkwecker_mit_AVR
wieso aref nicht beschalten in jedem tutorial steht man soll aref auf5 volt legen?! ja ihr hattet recht mit der led hab mich vertan also die led umdrehen... ich hatte eigentlich gedacht ich könnte mit der basecom dcf library arbeiten oder geht das nicht?
@NoNever: Noch eine kleine Anmerkung: Bleibt die LED so herum wie im Schaltplan und lässt diese gegen GND schalten, so leuchtet diese, wenn der Pin am Controller HIGH (1) ist. Drehst du die LED um und schaltest nach +5V, dann leuchstet die LED, wenn der Controller-Pin LOW (0) ist.
stimmt garnicht jetzt.. dh wenn der pin auf low ist steht er auf 5volt und wenn er high ist auf gnd?
@NoNever kannst Du bitte bitte bitte uns ( Rest aller Forumsschreiber) einen Gefallen tun? "bitte gucken(AVR)" - solche Betreffs sind absolut sch... denn zum einen weiß keiner worum es geht, und später wird in einer Suche auch niemand den Beitrag mehr anklicken.... DANKE Gruß
> wieso aref nicht beschalten
AREF kann beim MEGA8 als Ausgang geschaltet werden, um z.B. 2.54V zu
liefern, was passiert dann?
Natürlich kannst du sagen, daß dir das nie nie passiert, aber du
baruchst AREF auch nicht in umgekehrter Weise.
@NoNever 1 = High = 5 Volt 0 = low = 0 Volt Wenn du die LED nur umdrehst, ist ein Ende mit 5v verbunden. Sie leuchtet dann bei low, weil wenn du high am controller hast, ist an beiden enden 5v und sie leuchtet nicht. tu sie nicht umdrehen und dafür das andere ende an gnd, dann leuchtet sie bei high.
NoNever schrieb: > wieso aref nicht beschalten in jedem tutorial steht man soll aref auf5 > volt legen?! Das sind dann Tutorials, die noch auf dem Stand der alten AT90Sxxxx Controller sind, die keine interne Referenz enthalten.
Im datenblatt des Mega8 steht auch, daß die interne Referenzspannung deaktiviert wird, wenn du an AREF 5V anschließt. Um also "universell" zu bleiben lass den Pin offen oder mit nem C gegen GND. Und überhaupt, ich find DCF immer noch zu schwierig für nen Anfänger. Klar kann man den Code von dem obigen Link stumpf kopieren, aber dann ist der Lerneffekt... naja, zu vernachlässigen, ne? VG
ja tschuldigung für den titel tut mir leid ich wusste nicht wie ich das schrieben sollte ..egal aber kann ichde nn nun die basecom dcf library benutzten oder net?
Liest Du eigentlich Datenblätter ? Man sollte nicht mit einer Grundschaltung anfangen, sondern mit Lesen. Außerdem fehlen (mal wieder) die Abblockkondensatoren.
Bitte melde dich an um einen Beitrag zu schreiben. Anmeldung ist kostenlos und dauert nur eine Minute.
Bestehender Account
Schon ein Account bei Google/GoogleMail? Keine Anmeldung erforderlich!
Mit Google-Account einloggen
Mit Google-Account einloggen
Noch kein Account? Hier anmelden.
