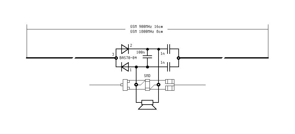
Hallo, ich möchte einen GSM detektor bauen. Im Anhang befinden sich zwei Schaltpläne einer der für das Deutsche netz (mit der Dipol-antenne) geeignet ist und einen fertigen für das Amerika netz. Ich möchte den "deutschen" allerdings umbauen damit man bei gefundenem GSM signal etwas geschaltet werden kann. Dies ist ja in dem zweiten realisiert. Bei dem ersten erkennt man ein gefundenes GSM signal daran das der Lautsprecher brummt. Der "deutsche" Detektor arbeitet ja auch passiv und der "Amerikaner" aktiv mit strom versorgung. So jetzt meine Frage was müsste ich ändern/hinzufügen zu dem deutschen Detektor sodass ich etwas schalten kann (verarbeitung mit dem µC)? Könnte ich das mit dem CA3130 IC wie in dem zweiten Schaltplan realisieren? Achso hier noch die Quellen der Schaltpläne: DE: http://www.physikerboard.de/ltopic,6594,0,asc,0.html (in der Mitte des Threads) USA: http://electroschematics.com/381/mobile-phone-sniffer-gsm-telephone-detector/ mfg alex
Probiere es aus! Die aktive Schaltung ist offensichtlich kein Empfänger, sondern eine Schaltung, die irgendwas tut, wenn dicht daneben gerade ein Handy sendet. Da dies (besonders) jedes billige Radio oder TV auch macht, sollte es auch irgendwie funktionieren...
Wieso eigentlich GSM Detektor? Das Ding guckt doch nur nach der Feldstärke. Um wirklich GSM zu detektieren bedarf es schon ein wenig mehr Aufwand.
Vielen Dank für eure Antworten. Ja ich werde es dann wohl mal ausprobieren. @tom warum GSM detektor? Ganz einfach weil es unteranderem GSM signale wahrnehmen kann ;)
Bitte melde dich an um einen Beitrag zu schreiben. Anmeldung ist kostenlos und dauert nur eine Minute.
Bestehender Account
Schon ein Account bei Google/GoogleMail? Keine Anmeldung erforderlich!
Mit Google-Account einloggen
Mit Google-Account einloggen
Noch kein Account? Hier anmelden.

