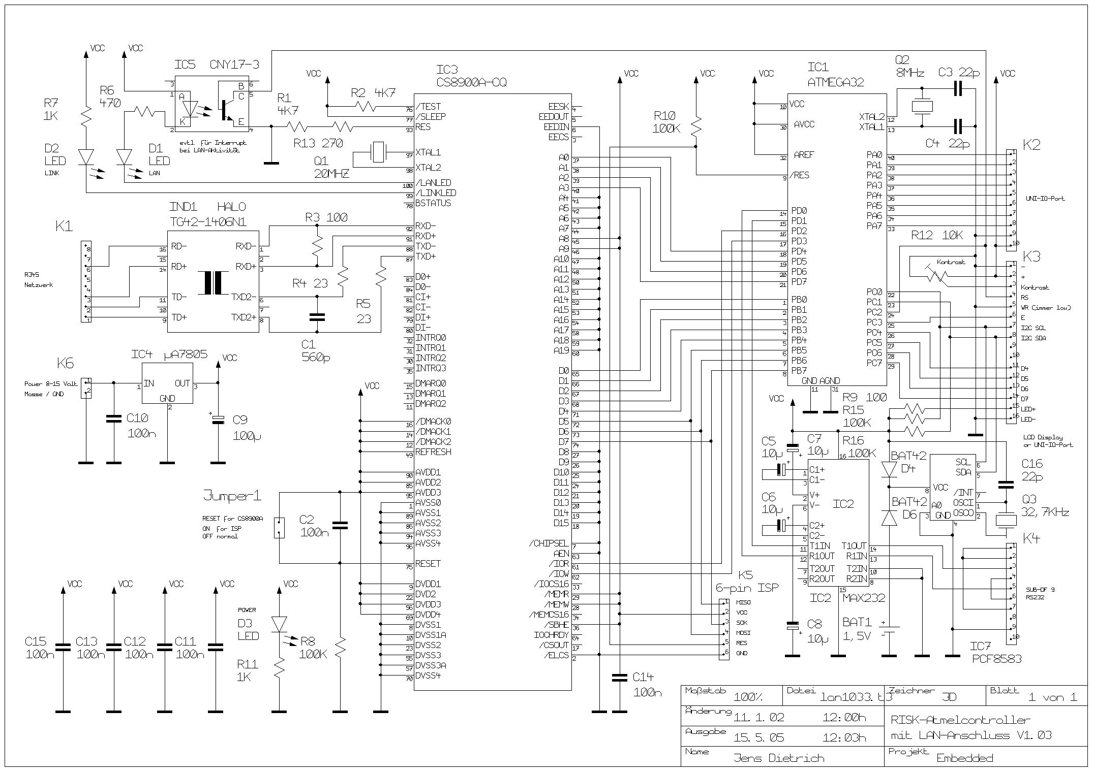
Hallo, ich versuche im moment einen Sicherungsüberwachung für bis zu 100 Sicherung zu entwickeln. Dachte da so an eine 10x10 Matrix zur überwachung. Habe mir sagen lassen das man für die Überwachung den ATMega88 gut beutzen kann. Mein Problem ist das ich die erfassten Daten über eine RJ45 Schnittstelle an ein EDV-Sytem übermitteln möchte. Ich habe nur leider bis jetzt keine beispiel verschaltung gefunden die ich für meine Projekt abwandeln kann. Dass einzigste was ich bis jetzt gefunden habe ist eine Schaltung mit einem ATMega32 Controller. In der Schaltung ist ein CS8900A verbaut, der die verwaltung über den RJ45 macht. hier der Link zu der Page: http://www.icplan.de/seite15.htm ATMega88 und ATMega32 haben beide 36 I/O Ports. Bei der 10x10 Matrix fallen dann schon 20 Ports weg. Für die Übertragung zum CS8900A brauch ich 8 Leitungen (7 Leitungen = max128 Sicherungen / 1 Leitung für die übermittlung Spannung vorhanden Ja/Nein) Ich glaube dann brauche ich noch 3 Anschlüsse für den µC um diesen zu programmieren. Außerdem brauch der µC eine Leitung die Ihm sagt das er die erfassten Daten senden soll Desweiteren wollte ich noch ein Mäuseklavier integrieren um den Standort der Überwachung direkt am Board einstellbar zu machen. Dafür brauche ich warscheinlich 24 Eingänge. Kann ich die auf den CS8900A legen ? Hat jemand das schon mal ausprobiert oder kann mir ein paar tipps geben.
>ich versuche im moment einen Sicherungsüberwachung für bis zu 100 >Sicherung zu entwickeln. Dachte da so an eine 10x10 Matrix zur >überwachung. Wie willst du Sicherungen mit dieser Matrix überwachen? >Mein Problem ist das ich die erfassten Daten über eine RJ45 >Schnittstelle an ein EDV-Sytem übermitteln möchte. Das nennt sich Ethernet. >ATMega88 und ATMega32 haben beide 36 I/O Ports. Der ATMega88 hat nur 28 Pins. Wo kommen also die restlichen 8 Leitungen raus? ATMega32 hat auch nur 32 I/O. Hört sich alles nach ziemlich unausgegorenem Blödsinn an. Oder nach einem Troll ;)
> ATMega88 und ATMega32 haben beide 36 I/O Ports.
Das wäre mir aber neu.
Gruß
Hallo, Sebastian P. schrieb: > Hallo, > ich versuche im moment einen Sicherungsüberwachung für bis zu 100 > Sicherung zu entwickeln. Dachte da so an eine 10x10 Matrix zur > überwachung. Wie überwacht man Sicherungen und wie macht man das in einer Matrix??? > Habe mir sagen lassen das man für die Überwachung den ATMega88 gut > beutzen kann. > Mein Problem ist das ich die erfassten Daten über eine RJ45 > Schnittstelle an ein EDV-Sytem übermitteln möchte. Ich habe nur leider Das RJ45 die Bauform einer Buchse/Stecker ist, ist Dir aber schon aufgefallen? Sagt also wenig darüber aus, was da per RJ45 angeschlossen wird... > ATMega88 und ATMega32 haben beide 36 I/O Ports. Wie bekommst Du 36 I/O an ein 28Pin-Gehäuse eines Mega88? Wie bekommst Du 36 I/O + 2xGND + 2x Vcc + Reset + 2x Quarz an ein 40Pin eines Mega32? > Bei der 10x10 Matrix fallen dann schon 20 Ports weg. > Für die Übertragung zum CS8900A brauch ich 8 Leitungen (7 Leitungen = > max128 Sicherungen / 1 Leitung für die übermittlung Spannung vorhanden > Ja/Nein) ???? > Ich glaube dann brauche ich noch 3 Anschlüsse für den µC um diesen zu > programmieren. > Außerdem brauch der µC eine Leitung die Ihm sagt das er die erfassten > Daten senden soll Drückst Du da auf einen Knopf oder wie? > Desweiteren wollte ich noch ein Mäuseklavier integrieren um den Standort > der Überwachung direkt am Board einstellbar zu machen. > Dafür brauche ich warscheinlich 24 Eingänge. Kann ich die auf den > CS8900A legen ? Was der CS8900A eigentlich macht, hast Du aber schon rausgefunden??? Sorry, aber wenn ich diese Fragen so lesen und den ersten Satz dazu dann frage ich mich doch etwas, ob man nicht jemanden für die Entwicklung finden könnte, der sich wenigstes ganz ganz wenig mit den nötigen Grundlagen auskennt... Gruß aus Berlin Michael
> Wie überwacht man Sicherungen und wie macht man das in einer Matrix???
Sicherungen überwachen allgemein:
Spannung vorher und nachher messen, wenn differenz > z.B. 2V dann ist
sie gefallen (also Komparator).
Wenn man jetzt überall über die Sicherungen Optokoppler drübergibt, kann
man deren potentialfreie Ausgänge schon per Matrix verschalten und dann
testen.
Man könnte über 8 I/O Ports Multiplexer ansteuern, die wiederum per Relais oder ähnlichem Spannung an einen ADU geben. ==> Spannung da -> Sicherung ganz ...wird aber riesig!
Bitte melde dich an um einen Beitrag zu schreiben. Anmeldung ist kostenlos und dauert nur eine Minute.
Bestehender Account
Schon ein Account bei Google/GoogleMail? Keine Anmeldung erforderlich!
Mit Google-Account einloggen
Mit Google-Account einloggen
Noch kein Account? Hier anmelden.
