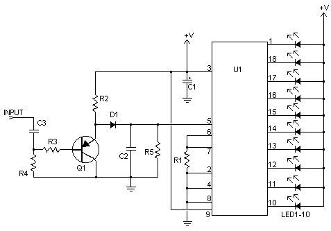
Hallo, hab mir soeben diese schaltung angekuckt, alles klar soweit, nur, frage, ist R3 nicht überflüssig?
... den Basiswiderstand vom Transistor weglassen? [ ] Ja [ ] Nein [x] Wir haben Freitag
>frage, ist R3 nicht überflüssig?
Nimm am Input eine Wechselspannung.
Dann frag dich was passiert wenn die Spannung an der Basis
negativ wird?
jaja schon klar, hab gedacht R2 begrenzt diesen Strom, der hat aber durch den Kollektorstrom für den Basisstrom nicht viel zu sagen...
Wird die Spannung an Uce größer als 0,7v haben wir einen kurzen...
Bitte melde dich an um einen Beitrag zu schreiben. Anmeldung ist kostenlos und dauert nur eine Minute.
Bestehender Account
Schon ein Account bei Google/GoogleMail? Keine Anmeldung erforderlich!
Mit Google-Account einloggen
Mit Google-Account einloggen
Noch kein Account? Hier anmelden.
