Hallo Leute! Eine ganz allgemeine Frage: Wenn folgendes gegeben ist: <<Ausgangsspannung ist abhängig von der (Eingangs-)PWM und ist von 5% - 95% einstellbar.>> Kann ich daraus Schlussfolgern, dass die Ausgangsspannung z.B. bei Ubat = 10 V von 0,5V - 9,5V einstellbar ist, egal welche Schaltung gegeben ist??? Danke
Wenn PWM-Amplitude und Ubat dasselbe ist: dann ja. Sonst natürlich nicht.
nein finde ich nicht. wenn es sich bei der schaltung um einen normalen RC-tiefpass handelt dann vielleicht. aber bei einem PWM-geregelten netzteil muß sich die PWM der last anpassen damit man eine gleichbleibende ausgangsspannung erhält.
Hängt bei PWM sehr stark davon ab wie die Last beschaffen ist die am PWM hängt. Bei rein induktiver Last und genügend hoher Frequenz ist die effektive Ausgangsspannung proportional zur Eingangsspannung und zum PWM. Also bei 10V Eingang und 50% ergibt sich 5V effektiv am Ausgang. Bei rein ohmscher Last ist die Leistung am Ausgang proportional zur Eingangsspannung und zum PWM. Also bei 10V und 50% ergibt sich 50% Leistung am Ausgang. Die effektive Spannung ist dabei 70,7%. Also 7,07V. (P = U² / R). Bei induktiv/ohmscher Last ergibt sich im unteren Tastverhältnisbereich ein Quadratischer Zusammenhang zwischen Spannung und Tastverhältnis (lückender Betrieb der Induktivität) und im oberen Tastverhältnisbereich ein linearer Zusammenhang. (kontinuierlicher Betrieb der Spule).
Hallo Yücel, ><<Ausgangsspannung ist abhängig von der (Eingangs-)PWM und ist von 5% - >95% einstellbar.>> In welchem Zusammenhang steht denn das Ganze? Die Ausgangsspannung von was? Kai Klaas
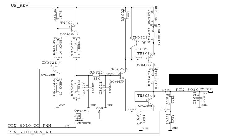
hallo nochmals, ich habe nun die schaltung eingefügt. etwas konkreter: welche faktoren haben einfluss auf den ausgang bei einer pwm? die toleranzen der widerstände, klar. was ich annehme: wenn ein tastverhältnis von 50% der pwm eingestellt ist, dann wäre im idealen zustand der ausgang 50%*UB_REV. berücksichtigt man die toleranzen der widerstände ergibt sich ein delta. muss ich aber auch andere dinge mitberücksichtigen? ich weiß nicht, ob meine schilderungen ausreichend sind... P.s. meine hochstelltaste ist kaputt, deshalb alles kleingeschrieben
> P.s. meine hochstelltaste ist kaputt, deshalb alles kleingeschrieben
sicher. und meine oma fährt im hühnerstall motorrad.
Bitte melde dich an um einen Beitrag zu schreiben. Anmeldung ist kostenlos und dauert nur eine Minute.
Bestehender Account
Schon ein Account bei Google/GoogleMail? Keine Anmeldung erforderlich!
Mit Google-Account einloggen
Mit Google-Account einloggen
Noch kein Account? Hier anmelden.
