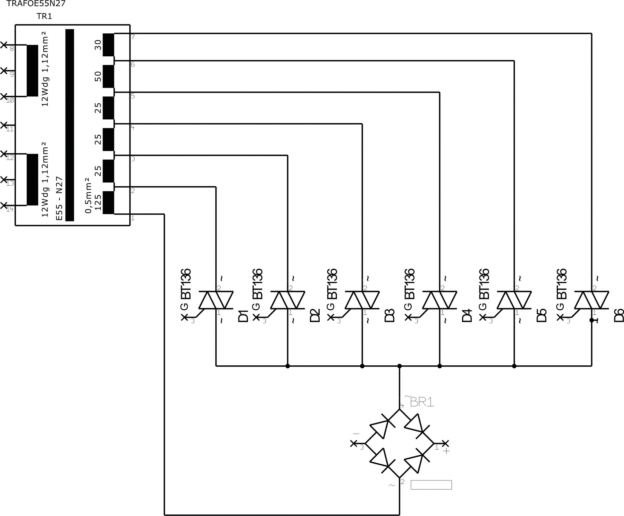
Hallo Leutle, habe ein Problem mit der Spannungsumschaltung eines Trafos. In einer früheren Schaltung habe ich die Umschaltung mit Relais gemacht. Aus Platz und Gewichtsgründen möchte ich gerne auf die Relais verzichten. Habe mal ein Konzept mit Triacs gezeichnet. Müßte funktionieren. Gibt es da eine bessere Schaltung? Der Primärkreis muß halt galvanisch mit dem Sekundärkreis getrennt sein. Kann mir jemand da weiterhelfen? Gruß, Alpensepp
Alpensepp schrieb: > Hallo Leutle, > habe ein Problem mit der Spannungsumschaltung eines Trafos. In einer > früheren Schaltung habe ich die Umschaltung mit Relais gemacht. Aus > Platz und Gewichtsgründen möchte ich gerne auf die Relais verzichten. > Habe mal ein Konzept mit Triacs gezeichnet. Müßte funktionieren. Ja. Müßtest halt darauf achten das nicht mehr als ein Triac zu jeder Zeit angesteuert ist, sonst erzeugst Du einen Kurzschluß. Da Triacs je nach Leistung gekühlt werden müssen, ist so ab Lastströmen von mehr als 5 A weder vom Gewicht noch Platzbedarf etwas gewonnen ist gegenüber Relais.
Geht es um mehr als 50 Hz? (2*12 zu 125 plus x Wdg.) Bei einem Schaltnetzteil wird die Auswahl der Thyristoren von der Schaltfrequenz abhängig.
Bitte melde dich an um einen Beitrag zu schreiben. Anmeldung ist kostenlos und dauert nur eine Minute.
Bestehender Account
Schon ein Account bei Google/GoogleMail? Keine Anmeldung erforderlich!
Mit Google-Account einloggen
Mit Google-Account einloggen
Noch kein Account? Hier anmelden.
