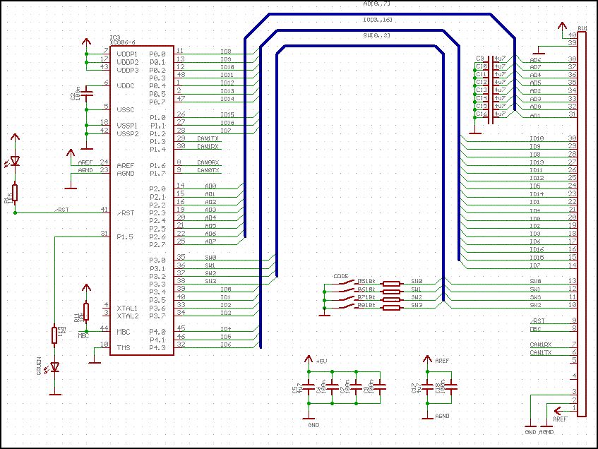
Testboard für XC886/5V/TQFP-48 Problem: Die Versorgung 5V wird durch den Prozessor kurzgeschlossen (gemessener Spannungsabfall zwischen VSS und VDD 0,4V bei 150mA). Test1: Versorgung wurde ohne Strombegrenzung (ca. 1,5A) angeschlossen, da eine vorangegangene Widerstandsmessung ca.3kOhm zwischen VDDP und VSSP, keine Warnung zeigte. Mein Bootloader sendete 0x80 und der XC886 antwortete mit 0x55, dann wurde ein enormer Stromanstieg erkannt. Test2: Prozessor wurde mit Strombegrenzung betrieben (Neues Board, neuer XC886...). Zunächst scheinbar o.k. (Stromverbrauch 25mA), dann gleicher Effekt wie bei Test1. Test3: Prozessor wurde auf eine Platte geklebt und es wurden folgende Anschlüsse verlötet: +5V: VDDP GND: VSSP,VSSC,TMS,MBC,RST Zunächst scheinbar alles o.k., dann Stromanstieg... Beschreibung zum Schaltplan: Pfeil nach oben => 5V BU1 Stecker zum Anschluss der Peripherie Bei meinen Tests wurde keine Peripherie angeschlossen. Der Baustein ist nicht programmiert. Der Baustein wurde per Hand verlötet. Dies jedoch unterm Mikroskop, sodass ein Kurzschluss fast ausgeschlossen werden kann! Wenn jemand eine Idee zu meinem Problem hätte, wäre ich hierfür sehr dankbar. Erwin
Bitte melde dich an um einen Beitrag zu schreiben. Anmeldung ist kostenlos und dauert nur eine Minute.
Bestehender Account
Schon ein Account bei Google/GoogleMail? Keine Anmeldung erforderlich!
Mit Google-Account einloggen
Mit Google-Account einloggen
Noch kein Account? Hier anmelden.
