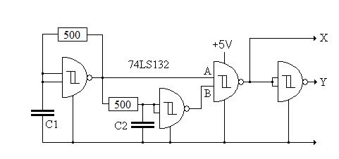
Hallo, kann mir bitte jemand sagen für was die (auf der Schaltung) die von mir rot markierten Stellen sind....das ist nämlich kein NAND mit 3 Eingängen wo sollen sie dann hin gehen? mfg Muha
Hi Betrachte es mal als den Masseanschluss des ICs. MfG Spess
Muha schrieb:
> Also eigentlich völlig irrelevant?
Äh nein? ;)
Ein reales Gatter muss auch mit Strom versorgt werden.
Simon K. schrieb: > Muha schrieb: >> Also eigentlich völlig irrelevant? > > Äh nein? ;) > Ein reales Gatter muss auch mit Strom versorgt werden. Schon, aber nicht 4x und nur 1x Vcc.
Das stimmt. Weiß den Geier was den Ersteller des Bildchens geritten hat :-)
Normalerweise zeichnet man an der Stelle ein Enable-Signal für die Ausgänge ein, wenn es sich um Tri-State-Ausgänge handelt. Das gibt es aber beim 132er nicht, ist also Blödsinn. Wielleicht hat jemand das passende Schaltsymbol in der Library nicht gefunden.
Christian H. schrieb: >> Muha schrieb: >>> Also eigentlich völlig irrelevant? >> >> Äh nein? ;) >> Ein reales Gatter muss auch mit Strom versorgt werden. > Schon, aber nicht 4x und nur 1x Vcc. Ja genau hab schon verstanden..:) Danke für schnelle Antwort..
Bitte melde dich an um einen Beitrag zu schreiben. Anmeldung ist kostenlos und dauert nur eine Minute.
Bestehender Account
Schon ein Account bei Google/GoogleMail? Keine Anmeldung erforderlich!
Mit Google-Account einloggen
Mit Google-Account einloggen
Noch kein Account? Hier anmelden.

