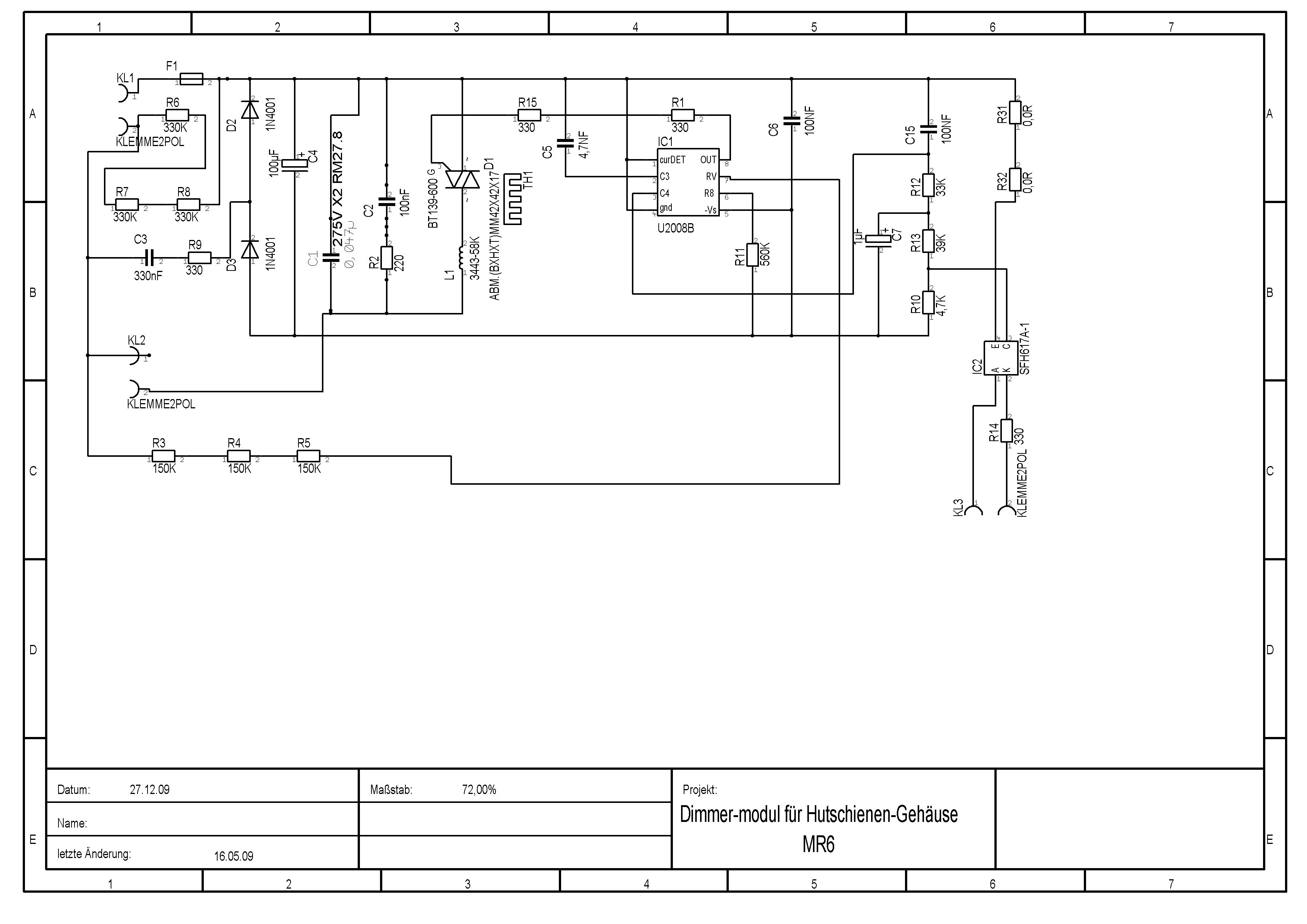
hallo, habe mir einen Dimmer mit dem ic u2008 gebaut, das dimmen funktioniert nicht so wie es soll . am optokoppler wird eine gleichspannung 0-5Volt angelegt,ab 3,50Volt beginnt die lampe langsam an zu leuchten. ich kann also nicht von 0-100% dimmen, vielleicht kann mir jemand helfen mfg
so ein optokoppler hat eine flußspannung wie eine LED. und eine übertragungskennlinie. findest du beides im datenblatt.
hallo, vielleicht könnte mir jemand auf die sprünge helfen, müsste ich den optokoppler gegen einen anderen tauschen mfg
Zwischen 3,5 V und 5 V überstreichst Du aber 0-100%? Dann definiere 3,5 V als 0%.
Aber nicht so, höchstens mit Spannungs/Stromwandler für den Optokoppler.
Bitte melde dich an um einen Beitrag zu schreiben. Anmeldung ist kostenlos und dauert nur eine Minute.
Bestehender Account
Schon ein Account bei Google/GoogleMail? Keine Anmeldung erforderlich!
Mit Google-Account einloggen
Mit Google-Account einloggen
Noch kein Account? Hier anmelden.
