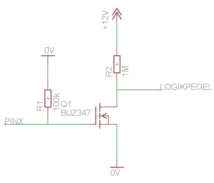
Hallo, ich habe auf meiner Platine 12V zur Verfügung und will mit einem I/O Port des µC 12V Logikpegel für ein anderes Bauteil schalten. Mir ist aber nicht so ganz klar, was ich dabei zu beachten habe. Anbei mal mein Versuch das Problem zu lösen. Da ich ja keine Last an Source bzw. bei einem NPN Transistor an den Emmiter anschließen kann, und ich nicht weiß, wie das anzusteuernde Bauteil intern funktioniert, würde ich einfach eine sehr große Last an Drain anschließen und von dort aus meinen Logikpegel abgreifen. Funktioniert das so? Gibts ne bessere Lösung? PS: Der N-Kanal Mosfet-Typ ist nur exemplarisch in der Zeichnung.
Josef Kkk schrieb: > und ich nicht weiß, wie das anzusteuernde Bauteil intern funktioniert, Du solltest in Erfahrung bringen, welchen Eingangsstrom das Teil benötigt. Wenn es keinen eigenen Pullup hat, brauchst du R2. Aber 1MOhm ist in jedem Fall zu viel. 10..100kOhm sollten es schon sein, angenommen der Eingangsstrom des Bauteils liegt bei einigen µA. > PS: Der N-Kanal Mosfet-Typ ist nur exemplarisch in der Zeichnung. MOSFET ist schon in Ordnung, ist bloß ein bischen groß geraten. Der Wid. von Gate nach Source muss im Betrieb nicht sein, schadet aber nicht, weil sonst das Gate bei nicht eingestecktem µC in der Luft hängt. Grüße, Peter
Danke für die Infos. 1MOhm war einfach aus der Hüfte geschossen. R1 jedoch nicht. Der Pull-Down ist schon absicht gewesen ;) Der Pegelwandler 40109 sieht ja auch ganz gut aus. Der wird das Rennen machen glaube ich. Ist ja ne ziemliche Allzweckwaffe für sowas. Danke!
Bitte melde dich an um einen Beitrag zu schreiben. Anmeldung ist kostenlos und dauert nur eine Minute.
Bestehender Account
Schon ein Account bei Google/GoogleMail? Keine Anmeldung erforderlich!
Mit Google-Account einloggen
Mit Google-Account einloggen
Noch kein Account? Hier anmelden.
