Hallo Leute Ich habe eine RS485 Verbindung aufgebaut (µC zu PC), und bin auf folgendes Problem gestoßen: Der MAX485 sendet die ganze Zeit ein FFhex an den PC, setze ich dann DE auf high und sende ein paar Character rüber an den PC zeigt er mir das auf dem HyperTerminal an, und wenn ich danach DE auf low und /RE auf high setze passt alles, schalte ich mein Programm ab, wird die ganze Zeit wieder ein FF an den PC gesendet. Hm? Grüße
FF gibt's dann, wenn ein Puls auf der Leitung lang genug ist, um als Startbit zu gelten, und kurz genug ist, um beim darauf folgenden Bit 0 fertig zu sein.
A. K. schrieb: > FF gibt's dann, wenn ein Puls auf der Leitung lang genug ist, um als > Startbit zu gelten, und kurz genug ist, um beim darauf folgenden Bit 0 > fertig zu sein. Okay!
A. K. schrieb:
> Schaltbild könnte helfen, Oszi auch.
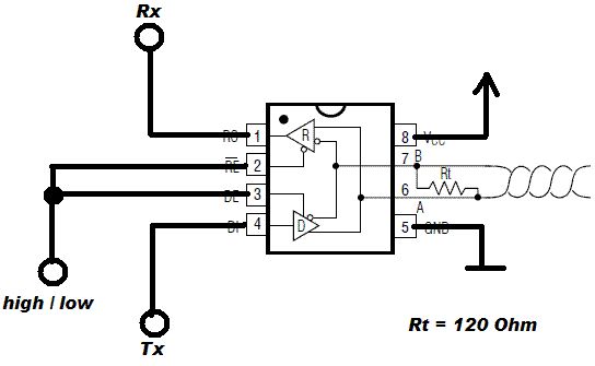
Schaltbild siehe Anhang.
Osziauswertung kann ich später posten...
Johnny Knot schrieb:
> schalte ich mein Programm ab
Was muss ich mir darunter vorstellen?
Dass frei floatende Tx und DE Leitungen Unfug stiften können ist
durchaus vorstellbar.
A. K. schrieb: > Johnny Knot schrieb: > >> schalte ich mein Programm ab > > Was muss ich mir darunter vorstellen? > > Dass frei floatende Tx und DE Leitungen Unfug stiften können ist > durchaus vorstellbar. Ja genau das mein ich damit, du hast es erfasst. :-) Also lieber mal Pullup/downs dran?
JojoS schrieb:
> einfach den Rt (Terminierungswiderstand) dranklemmen.
Nee danke, das Problem lag wirklich an den offenen Pins :-)
Bitte melde dich an um einen Beitrag zu schreiben. Anmeldung ist kostenlos und dauert nur eine Minute.
Bestehender Account
Schon ein Account bei Google/GoogleMail? Keine Anmeldung erforderlich!
Mit Google-Account einloggen
Mit Google-Account einloggen
Noch kein Account? Hier anmelden.
