Hallo an alle. Wollte den Beitrag "ich brauche Hilfe zu STK500" wieder aufgreifen da dort nicht weiter über das Problem und seine Lösung geschrieben wurde. Ich habe ein ähnliches Problem welches vorher nie zum tragen kam, seit ich gestern mein LCD Display an mein STK (mit ATTiny2313) angeschlossen habe gibt es probleme beim programmieren des µC mit dem angeschlossenen lcd an portb. Kennt jemand das Problem, kann es sein das es nur am LCD liegt? Bei vorherigen angeschlossenen Baugruppen kam so etwas noch nicht vor MfG Flo
>Kennt jemand das Problem, kann es sein das es nur am LCD liegt?
Ja, das liegt an deiner Schaltung (die keiner kennt).
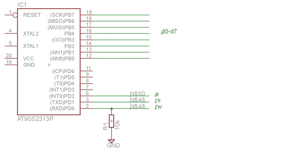
ich hab die Anschlüsse D0-D7,E,RS,RW einfach an die pins des µC geführt.
>ich hab die Anschlüsse D0-D7,E,RS,RW einfach an die pins des µC geführt.
Grumpf;) Und wo? Mach mal nen Pulldown 10k an RW.
Erwartest Du ernsthaft Hilfe? >LCD Display an mein STK (mit ATTiny2313) angeschlossen Und wie genau? Schaltung posten! >probleme beim programmieren Du sagst nicht wie sich die Probleme äußern.
flo schrieb: > hier der fehler Ich betreibe ein LCD (angeschlossen wie im AVR-Tutorial) am STK mit Tiny ohne Probleme. Den Fehler kenne ich aber auch: In 99% der Faelle hat das STK den externen Takt runtergesetzt. Check das bevor Du weiter suchst. ;) Volker
flo schrieb: > @ Volker: > welchen externen takt meinst du? Den vom STK500 generierten... Wenn Du den nicht kennst, benutzt Du ihn aber Wahrscheinlich auch nicht.. ;) In AVR-Studio zum Board connecten und dann unter HW Settings, oder so. Volker
der ist normal, hab mein controller auf internen takt
Und die ISP-Frequenz ist auch < 1/4 davon, nehme ich an? Bzw. funktioniert denn alles wieder wenn Du das LCD abziehst? Wenn ja, dann geh doch mal Leitung fuer Leitung durch... Volker
es spinnt nur wenn ich die datenleitungen dran hab, die isp frequenz liegt im kHz bereich... im controller hab ich die pins alle auf ausgang gestellt und auf masse gelegt
Hi >es spinnt nur wenn ich die datenleitungen dran hab, die isp frequenz >liegt im kHz bereich... im controller hab ich die pins alle auf ausgang >gestellt und auf masse gelegt Weil deine Datenleitungen MOSI/MISO und SCK stören. Hättest du im obigen Link gefunden. MfG Spess
flo schrieb: > es spinnt nur wenn ich die datenleitungen dran hab, die isp frequenz > liegt im kHz bereich... Hm.. Ich habe das Problem, wie schon erwaehnt, trotz LCD nicht. Aber es soll da trotz Industrie-Standard-Kompatibilitaet kleine aber feine Unterschiede geben... Geht's denn wenn du nur d0 - d3 am STK hast? Dann waere ja der 4-Bit-Modus vielleicht noch eine Alternative, so bleiben die ISP-Pins frei... > im controller hab ich die pins alle auf ausgang > gestellt und auf masse gelegt Das spielt ja fuer die Programmierung ohnehin keine Rolle... Volker
@spess: wieso stören die dann bei anderen applicationen nicht?
Füge je einen Serienwiderstand in die Leitungen von SCK, MISO und MOSI ein. So wie auf Seite 5 des Dokumentes, dass spess53 gepostet hat. 1k sollte ausreichen.
flo schrieb: > @spess: > wieso stören die dann bei anderen applicationen nicht? Die Leitungen selbst stoeren eigentlich nicht (wenn sie nicht kilometerlang sind), aber wohl das, was am anderen Ende (im LCD-Modul) dranhaengt. ;) Volker
flo schrieb:
> pull ups könnten also helfen?
Serienwiderstand! Guck Dir doch den Link von Spess einfach mal an.. ;)
Volker
Hi
>pull ups könnten also helfen?
Wer redet denn hier von Pull-Ups? Serienwiderstände sind gemeint.
MfG Spess
Vor etwa 10 Minuten wurde die Frage schon beantwortet.
Bitte melde dich an um einen Beitrag zu schreiben. Anmeldung ist kostenlos und dauert nur eine Minute.
Bestehender Account
Schon ein Account bei Google/GoogleMail? Keine Anmeldung erforderlich!
Mit Google-Account einloggen
Mit Google-Account einloggen
Noch kein Account? Hier anmelden.

