Hallo Leute Ich habe da ein Problem, kann mit dem µC über RS485 Zeichen senden, aber nicht empfangen. Der Algorithmus zum Einlesen funktioniert, da ich es vorher mit RS232 ausprobiert habe, mit RS485 passiert garnichts. mfg
Um antworten zu können müsste man mehr über den Aufbau wissen und wo es genau klemmt. Kannst du Messungen mit einem Oszi oder logic analyser machen?
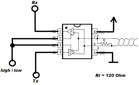
Volker Schulz schrieb: > Welcher µC? Welcher Pegelwandler? Schaltplan? > > > Volker PIC18f4550 MAX485 Schaltung: Pullup auf B Pulldown auf A Rt laut Schaltplan 120Ohm Pulldown auf /RE und DE
Nathon V. schrieb: > Um antworten zu können müsste man mehr über den Aufbau wissen und wo es > genau klemmt. Kannst du Messungen mit einem Oszi oder logic analyser > machen? Messungen kann ich machen, bzw. werde ich jetzt angehen.
Wenn Du die Leitung /RE dauerhaft aktiviert lässt, solltest Du das von Dir selbst gesendete als Echo empfangen können. Damit kannst Du leicht die korrekte Funktion testen (und auch, ob während Deines Sendevorganges ein anderer Teilnehmer auf dem Bus "dazwischenfunkt").
Bitte melde dich an um einen Beitrag zu schreiben. Anmeldung ist kostenlos und dauert nur eine Minute.
Bestehender Account
Schon ein Account bei Google/GoogleMail? Keine Anmeldung erforderlich!
Mit Google-Account einloggen
Mit Google-Account einloggen
Noch kein Account? Hier anmelden.

