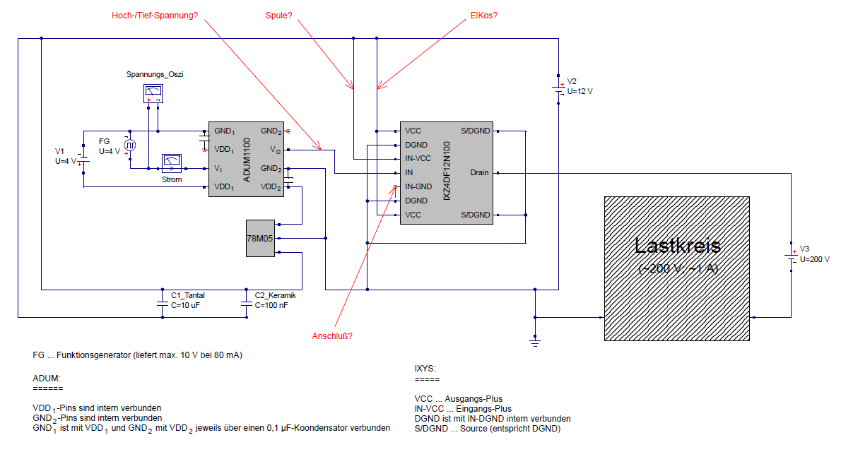
Liebe Leute, nachdem das Sorgenkind (Ind. Koppler (ADUM1100) brennt immer ab) ja nun läuft, steht jetzt der finale Schritt an: ein IXYS IXZ4DF12N100 (http://www.ixysrf.com/pdf/switch_mode/ixz4df12n100.pdf) soll den einzelnen Treiber und MOSFET ersetzen. Da dieses Bauteil ziemlich schwer zu bekommen ist – und nebenbei nicht ganz billig... – ist mir sehr daran gelegen, erst Eure Meinungen bez. Einbau zu erfahren. Wir würden ihn wie in beigefügter Abbildung „Abb. 1 – Schaltung“ ersichtlich verbauen. Dazu nun meine Fragen: 1.Was beim ADUM rauskommt, wird den IXYS nicht (korrekt) schalten, oder? (Müßte man eher Plus mit IN verbinden, und mit einer „inversen Transistorschaltung“ dazwischen – also zwei verschalteten Transistrons – in den Auszeiten den Strom gegen Grund ziehen?) 2.Wie wichtig ist die Spule vor IN-VCC? (Siehe Datenblatt → Abb. 15) 3.Wie wichtig sind die ganzen ElKos? (Siehe Datenblatt → Abb. 15) 4.Kann ich IN-GND tatsächlich einfach unangeschlossen lassen, oder muß ich ihn wie im Datenblatt mit einer Drossel gegen Grund hängen? (Ist ja intern ohnehin mit DGND verbunden...) Und natürlich bin ich auch für jede weitere Anregung, die sich nicht direkt auf meine Fragen bezieht, sehr dankbar! Gruß, Snorri
Bitte melde dich an um einen Beitrag zu schreiben. Anmeldung ist kostenlos und dauert nur eine Minute.
Bestehender Account
Schon ein Account bei Google/GoogleMail? Keine Anmeldung erforderlich!
Mit Google-Account einloggen
Mit Google-Account einloggen
Noch kein Account? Hier anmelden.
