Hallo zusammen, ich habe folgendes Problem: ich habe ein Kabel, an dem ich 5V oder 0V anliegen habe. Mit diesem Kabel möchte ich gerne einen Stromkreis schließen bzw. öffnen. Dabei ist es egal, ob der Stromkreis bei 5V oder bei 0V offen/geschlossen ist. Spannung und STrom im zu schaltenden Stromkreis sind nicht bekannt, sind aber wohl recht gering. Ich habe so etwas noch nie gemacht, weshalb ich sehr froh wäre, wenn mir jemand nen Vorschlag machen könnte, wie ich das Problem lösen kann. Mein erster Gedanke war, ein Relais verwenden. Lieg ich damit richtig, oder gehts irgendwie anders besser? Danke!
Ben schrieb: > Mein erster Gedanke war, ein Relais verwenden. Lieg ich damit richtig, > oder gehts irgendwie anders besser? Wie definierst du besser? Ein Relais ist nicht unbedingt die beste Wahl, es ist aber auch nicht unbedingt die schlechteste Wahl. VOr allen Dingen wenn man bedenkt, dass du über den zu schaltenden Stromkreis nichts weißt.
Hallo Ben, gerne bin ich dir bei der Lösungssuche deines Problems behilflich. Bitte melde dich mal bei mir indem du eine PM schickst. Gruß virus
Hallo zusammen, ich habe mich jetzt mal bei Conrad umgesehen (kann leider nur dort bestellen) und bin auf den Artikel 503328 - 62 gestoßen. Ist ganz praktisch, dass das Relais mit Freilaufdiode und LED auf ner Platine sitzt. Soweit ich das richtig sehe, bräuchte ich für meine ANwendung zwar nur einen Schließer, aber da es den nicht auf ner Platine gibt bei Conrad, glaube ich, dass ich auch einen Wechsler verwenden kann und den zweiten Anschluss einfach frei lasse. Wäre nett, wenn mir jemand bestätigen könnte, dass ich das richtig verstehe. Blöd ist nur, dass im Datenblatt nicht genau steht, wann das Relais schaltet. Nennspannung ist 5V, aber heißt das dann, dass das Relais genau bei 5V in die eine Stellung und bei allem darunter in die andere STellung schaltet? Ich denke eher, dass es da wohl gewisse Bereiche gibt, die ich aber nicht aus dem Datenblatt herauslesen kann. Hat da jemand ne Ahnung, wie das ist?
Bei etwa 5V schaltet es und bleibt selbst wenn die Spannung absinkt bis zu einer gewissen Spannung(schätze mal 3V) noch geschaltet. Allerdings ist das nicht zu empfehlen wenn du Netzspanung schalten willst, da das nur für 125V/AC gedacht ist, wir haben allerdings 230V/AC.
ich habe leider nicht genau 5V sondern nur so 4,95. Aber ich denke, dass das wohl schon so geht. Ich möchte keine Netzspannung schalten. Zwar weiß ich (noch) nicht genau, welche Spannung ich schalten will, aber ich denke, dass sie sehr weit darunter liegt.
hi, bedenke, dass du auch einen gewissen Strom brauchst, um ein relais zu schalten! Evtl. macht eine Transistorschaltung zumindest als vorschaltung vor dem Relais sinn, also gewissermaßen als Treiber.
Ben schrieb: > Hallo zusammen, Hallo Ben, mach Dich mal auf was gefasst, aber nimms nicht zu persönlich :) > ich habe folgendes Problem: ich habe ein Kabel, an dem ich 5V oder 0V > anliegen habe. So weit so gut. > Mit diesem Kabel möchte ich gerne einen Stromkreis schließen bzw. > öffnen. Dabei ist es egal, ob der Stromkreis bei 5V oder > bei 0V offen/geschlossen ist. Handelt es sich beim Laststromkreis um Wechsel- oder Gleichspannung? > Spannung und STrom im zu schaltenden Stromkreis sind nicht bekannt, sind > aber wohl recht gering. Definiere gering. Als Hausnummer kann ich als Feld- und Wiesenelektroniker 20mA bei 5V= als gering annehmen. Thomas, mein Elektrikergenosse empfinded 40V~/5A als gering. Für Thilo sind vermutlich Spannungen < 30 kV und 1000A Strom geringe Leistungen. Physiker Fred K. wiederum will jedes Elektron einzeln zählen, für seine Anwendung des Josephson-Gates sind wenige nA schon ein reichlicher Strom. Kannst Du uns wenigstens eine Grössenordnung mitteilen? Und ob es sich um Gleich- oder Wechselspannung handelt. > Mein erster Gedanke war, ein Relais verwenden. Lieg ich damit richtig, > oder gehts irgendwie anders besser? Besser (oder schlechter) kann es mittels einfacher bipolaren Transistorschaltung, einem einfachen Relais, einem Optokoppler oder einem Halbleiterrelais werden. Womöglich brauchst du jedoch einen Freiluftschalter oder eine FET-Schaltung mit OPV. Eventuell ist auch ein Reed-Relais das Mittel der Wahl. Wer soll das wissen? > ich habe mich jetzt mal bei Conrad umgesehen (kann leider nur dort > bestellen) und bin auf den Artikel 503328 - 62 gestoßen. > Ist ganz praktisch, dass das Relais mit Freilaufdiode und LED auf ner > Platine sitzt. Im Datenblatt ist von der Freilaufdiode keine Rede mehr, auch der am Foto abgebildete Transistor, der Dir nützlich sein könnte, wird nicht erwähnt. Steht auch dort, daß die Abbildung nur Ähnlich sei. Die Artikelbeschreibung sagt "Fertig bestückt mit Relais 5 V/DC Best.-Nr. 50 51 88". Auch von den Anschlüssen, die auf dem Foto sind, ist im Datenblatt keine Rede mehr. Im schlechtesten Fall bekommst Du also ein Stück Platine, auf der ein Relais sitzt, mehr nicht. Dafür sind 3,65 zu teuer, da das Relais selbst nicht einmal die Hälfte davon kostet. Falls Du Glück hast, sind die "Kabelbuchsen" (mir fällt die richtige Bezeichnung gerade nicht ein), der Transistor, die LED und auch die Freilaufdiode bestückt. Darauf würde ich jedoch keine Wetten abschließen. Der Saftladen ist hier fast so schlimm wie Rechelt (von dem man im Vornhinein nicht einmal weiss, was man bekommt). Pollin ist gegenüber beiden hier ein Traum. > Soweit ich das richtig sehe, bräuchte ich für meine ANwendung zwar nur > einen Schließer, Oder nicht doch lieber einen Öffner? > aber da es den nicht auf ner Platine gibt bei Conrad, glaube ich, dass > ich auch einen Wechsler verwenden kann und den zweiten Anschluss einfach > frei lasse. Wäre nett, wenn mir jemand bestätigen könnte, dass ich das > richtig verstehe. Das hast Du richtig verstanden. Das schöne am Wechsler ist, dass er sowohl einen Öffner als auch einen Schließer ersetzen kann. > Blöd ist nur, dass im Datenblatt nicht genau steht, wann das Relais > schaltet. Dort steht explizit ""Fertig bestückt mit Relais 5 V/DC Best.-Nr. 50 51 88". Was hindert dich daran, das Datenblatt von Artikel 505188 anzusehen? > Nennspannung ist 5V, aber heißt das dann, dass das Relais > genau bei 5V in die eine Stellung und bei allem darunter in die andere > STellung schaltet? Ich denke eher, dass es da wohl gewisse Bereiche > gibt, die ich aber nicht aus dem Datenblatt herauslesen kann. In "meinem" Datenblatt steht (unter anderem) folgendes: "Nennspannung V_DC: 5V, Spannungsbereich V_DC: min. 3,8V / max. 5,5V" Was daran ist unverständlich? PS: Das Datenblatt ist scheiße. "Abfallspannung V_DC > 0,5V". Toll. > Hat da jemand ne Ahnung, wie das ist? Da du meinst dass das Relais geignet ist, wissen wir wenigstens etwas über den von dir zu schaltenden Stromkreis. Maximal 1A, bis 24V DC oder 125V AC. Ich hab mir jetzt >20min die Mühe gemacht, den Artikel zu formulieren, bei Conrad zu suchen und die Datenblätter zu studieren. Und ja, ich weiß, daß ich ein langsamer Schreiber bin. Aber ich habe mir die Zeit genommen, damit Du in Zukunft vielleicht leichter deine Entscheidungen treffen kannst und von vornherein mehr relevante Daten gibst. Sei mir nicht böse, wenn mein Posting stellenweise etwas harsch klingt, nur wissen wir immer noch nicht, ob du mit einem Relais gut bedient bist oder Dich auf dem Holzweg befindest. Karl heinz Buchegger schrieb: > Ein Relais ist nicht unbedingt die beste Wahl, es ist aber auch nicht > unbedingt die schlechteste Wahl. VOr allen Dingen wenn man bedenkt, dass > du über den zu schaltenden Stromkreis nichts weißt. Ich schließe mich hiermit KHB an, bitte erzähle mehr über den Laststromkreis. Was willst Du machen, was soll geschaltet werden. Wie gesagt, von Transistor über Relais bis zum Reed-Kontakt kann alles drin sein. Falls ein Relais das richtige Bauteil sein sollte, guck' mal hier: http://www.mikrocontroller.net/articles/Relais_mit_Logik_ansteuern Iwan
Bei der Aufgabenstellung und der Kenntnis der Materie ist wohl ein einfacher Schalter das Mittel der Wahl. Oder willst Du per uP oder PC oder sonstwas schalten?
Hallo,
als erstes möchte ich nochmal auf die obigen Posts eingehen:
Also vielleicht bin ich ja etwas naiv, aber denke ich schon, dass bei
dem von mir angegebenen Artikel schon auch alles drauf ist, was auf dem
Bild zu sehen ist. Und falls das dann doch nicht der Fall ist, so will
ich es als "Lehrgeld" sehen.
Ich hab bei Conrad eigentlich nach einem Schließer oder einem Öffner
gesucht. Da es aber so gut wie keinen Öffner gibt und es ja egal ist für
mich, ob Schließer oder Öffner, habe ich meine Suche eben auf Schließer
beschränkt.
Zumindest bin ich schonmal froh, dass ich auch einen Wechsler verwenden
kann. Ich hatte bisher überhaupt nichts mit Relais zu tun und ich muss
zugeben, dass es mir nicht einfach gefallen ist, die Datenblätter immer
gleich richtig zu interpretieren. Ich finde, man könnte die Dinger oft
auch echt besser formulieren.
> Dort steht explizit ""Fertig bestückt mit Relais 5 V/DC Best.-Nr. 50 51 88".
Entschuldigung. Diese Anmerkung habe ich echt übersehen, obwohl ich
genau danach gesucht hatte.
Ok Ivan. Ich denke ich habe verstanden, was du mir sagen wolltest. Und
du hast Recht. Wenn ich schon erwarte, dass andere Leute Zeit und Nerven
investieren, um mir zu helfen, dann sollte ich zumindest auch die Zeit
und Mühe aufbringen, das vorliegende Problem so genau wie möglich zu
beschreiben.
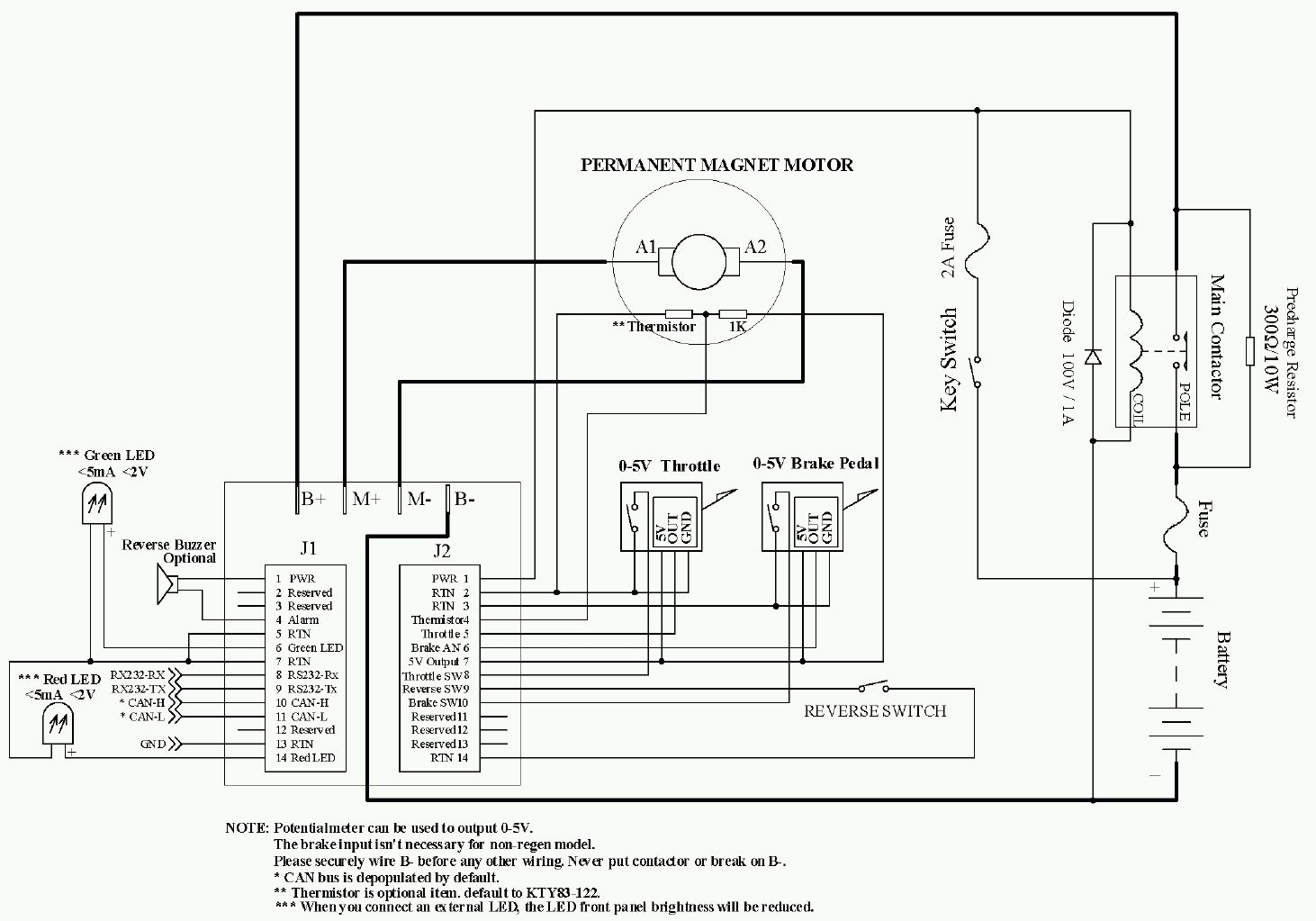
Hier also eine exakte Beschreibung meines Problems:
ich möchte mit einem Mikrocontroller in einem Steuergerät über einen
Motorcontroller (Schaltplan siehe Anhang) einen Gleichstrommotor
steuern. Genauer gesagt möchte ich zwischen vorwärts- und
rückwärtsdrehen umschalten können. Dies geschieht, wie man im Schaltplan
erkennen kann, über Schließen oder Öffnen des "Reverse Switch".
Um zu schalten, steht mir wie gesagt eine Ader im Kabel zwischen
Steuergerät und Motorcontroller zur Verfügung, welche ich entweder auf
5V oder auf 0V schalten kann.
Meine Idee war nun, als "Reverse Switch" ein Relais von Conrad 503328 zu
verwenden. Gut finde ich dabei, dass (hoffentlich) alles schon auf einer
Platine verbaut ist, die ich auch bequem in der Nähe des
Motorcontrollers irgendwo anschrauben kann. Denn im Steuergerät ist
dafür kein Platz.
Ich denke, das sind alle Angabe, die ich habe.
Was meint ihr, passt die vorgeschlagene Lösung oder funktioniert das so
nicht?
Gruß, Ben
Hallo Ben, > Genauer gesagt möchte ich zwischen vorwärts- und > rückwärtsdrehen umschalten können. Dies geschieht, wie man im Schaltplan > erkennen kann, über Schließen oder Öffnen des "Reverse Switch". > Um zu schalten, steht mir wie gesagt eine Ader im Kabel zwischen > Steuergerät und Motorcontroller zur Verfügung, welche ich entweder auf > 5V oder auf 0V schalten kann. Eine Masse ist aber auch vorhanden, oder? > Meine Idee war nun, als "Reverse Switch" ein Relais von Conrad 503328 zu > verwenden. Gut finde ich dabei, dass (hoffentlich) alles schon auf einer > Platine verbaut ist, die ich auch bequem in der Nähe des > Motorcontrollers irgendwo anschrauben kann. Prinzipiell müsste das schon funktionieren, nur müsste man wissen, ob der Steuerstrom kräftig genug ist, um die Relaisspule anziehen zu lassen. Das scheint mir noch der einzige Knackpunkt zu sein. Kannst Du deine Steuerspannug mit den überschlagsmässig benötigten 100mA belasten? > Was meint ihr, passt die vorgeschlagene Lösung oder funktioniert das so > nicht? Depends. Falls nicht wäre eventuell ein Analogschalter a la 4066 geeignet. Iwan
Иван S. schrieb: > Eine Masse ist aber auch vorhanden, oder? sischer, sischer ;-) > Kannst Du deine Steuerspannug mit den überschlagsmässig benötigten 100mA belasten? Hm, also die 100mA sollten kein Problem sein. Denn die 5V liefert eine Komperatorschaltung also zieh ich den STrom direkt vom DC/DC-Wandler und da ist noch gut Luft. Woher hast du denn die 100mA? Sorry, ich habs Datenblatt schon durchgeschaut, aber da find ich nichts. Wenn ich das richtig verstehe, fließen also dann immer 100mA, wenn das Relais geschaltet ist? Das ist vielleicht nicht wirklich elegant, aber normalerweise müsste es dann schon so gehen.
zur Info: Michael = Ben Da war wohl noch wer anderes am PC ;-)
Michael schrieb: > Woher hast du denn die 100mA? Sorry, ich habs Datenblatt schon > durchgeschaut, aber da find ich nichts. Überschlagsmäßig aus Spulenwiderstand und Spannung mittels Uri ermittelt :) > normalerweise müsste es dann schon so gehen. Ja, muesste so funktionuckeln. Viel Erfolg, Iwan
Bitte melde dich an um einen Beitrag zu schreiben. Anmeldung ist kostenlos und dauert nur eine Minute.
Bestehender Account
Schon ein Account bei Google/GoogleMail? Keine Anmeldung erforderlich!
Mit Google-Account einloggen
Mit Google-Account einloggen
Noch kein Account? Hier anmelden.
