Hallo, ich suche solche "Verbindungsschilder" (sind im Anhang zu sehen), evtl. weiß jemand wo diese in der EAGLE Library zu finden sind. Gruß Gustav
Ups jetzt habe ich nach dem "Doppelpost" auch noch zwei mal das Bilde hochgeladen!^^
Habe das Ganze schonmal im Markt Forum gepostet, ich Bitte meinen anderen Post zu Entschuldigen und zu löschen!
Hallo Gustav, 1. "Label" an der gewünschten Stelle erzeugen. 2. In den Eigenschaften des Labels einen Haken an "xRef" machen
Job funktioniert danke für deine Hilfe, eine kleine Frage hätte ich allerdings noch und zwar wie kann ich einen Hintergrund auswählen? Also diesen Rahmen der den Schaltplan abgrenzt und Eintragungen möglich macht z.B. Projektnamen, Namen des Entwicklers usw. Habe mir schon das ein oder andere EAGLE-Tutorial angeguckt aber solche trivialen Sachen werden wohl vorrausgesetzt zumindest wurde nie drauf eingegangen. Würde mich über weitere Hilfe freuen! Gruß Gustav
Wenn man sich in der Bibliothek mal das Symbol für einen Frame anschaut, sieht man nur die folgenden Platzhalter: >DRAWING_NAME (=Dateiname?) >LAST_DATE_TIME (=Datum der letzten Speicherung?) >SHEET (=Blatt des Schaltplans) Da scheint sonst nichts automatisiertes vorhanden zu sein. Den Rest muss man anscheinend selbst mit der Funktion "Text" ausfüllen. Aber vielleicht weiß jemand anderes mehr dazu?
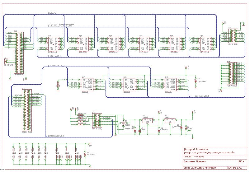
Danke schon mal für deine Antwort, ich mein so etwas hier:
Hey... Hab jetzt auch nen Account... Kein Problem... Hab am anfang ewig gebraucht bis ich auf die RCL-Biblio gestoßen bin...
Bitte melde dich an um einen Beitrag zu schreiben. Anmeldung ist kostenlos und dauert nur eine Minute.
Bestehender Account
Schon ein Account bei Google/GoogleMail? Keine Anmeldung erforderlich!
Mit Google-Account einloggen
Mit Google-Account einloggen
Noch kein Account? Hier anmelden.

