Hallo, ich bräuchte an einem AVR einen Eingang der feststellen kann, ob 230V anliegen oder nicht. Wie könnte ich das realisieren ?
auf jeden fall galvanisch trennen, also per trafo auf 2-3 volt transformieren und dann per adc messen.
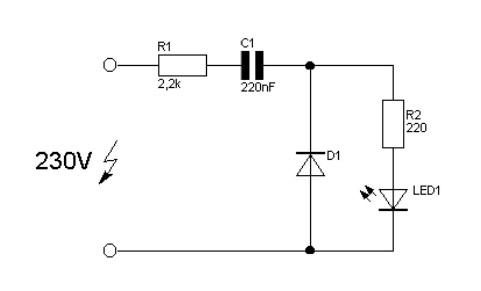
Also sicher geht es über eine galvanische TRennung per Optokoppler, die LED da drin kannste über einen Vorwiderstand (am besten kapazitiv zwecks geringerer Wärmeverluste) und Gleichrichter (falls beide Halbwellen erkannt werden müssen) angesteuert werden. Was willste den genau machen, vlt gehts ja einfacher :D
Entweder mit einem Relais oder mit einem Optokoppler mit Kapazitivem Vorwiderstand. Wobei die Relaismethode auf jeden fall die sicherere ist (vorausgesetzt es ist alles richtig ausgeführt) und die mit dem OK die schnellere. Frank
Andi schrieb: > Hallo, ich bräuchte an einem AVR einen Eingang der feststellen kann, ob > 230V anliegen oder nicht. Wie könnte ich das realisieren ? Das käme z.B. darauf an, ob die Schaltung eine Potentialtrennung durchführen müsste. Die Frage wäre auch, ob die 230 belastet werden dürften.
Also belastet werden die nicht. Kurz zur erklärung. Ich möchte eine Art Siemens-Logo realisieren, mit einem festen Programm. Dazu muß ich nur feststellen, ob am Eingang Netzspannung anliegt oder nicht.
Hi Nun ja, ich weiß nicht, wie prof. deine Schaltung werden soll, aber Optokoppler sind m.E. die bessere Lösung. Du kannst ja auch Gabellichtschranken benutzen, z. B. die von Pollin für 0,25€. Dann siehst du sogar, ob 230 V anliegen und die Kontakte liegen soweit auseinander, das ein Schluß der 230 V zum µC nicht zu erwarten ist. Ach ja, und testen kannst du durch einfaches Unterbrechen des Lichtstrahles auch noch... Gruß oldmax
Bitte melde dich an um einen Beitrag zu schreiben. Anmeldung ist kostenlos und dauert nur eine Minute.
Bestehender Account
Schon ein Account bei Google/GoogleMail? Keine Anmeldung erforderlich!
Mit Google-Account einloggen
Mit Google-Account einloggen
Noch kein Account? Hier anmelden.

