Hallo, hat hier jemand schonmal mit dem Motortreiber von ROHM (BD7755RFV) o.ä. gearbeitet und weiß wie man diesen ansteuert? Im Datenblatt ist nichts über die Ansteuerung zu finden, so wie man es von ROHM kennt. :-( Ich wäre für jede Hilfe dankbar! Grüße, Nico
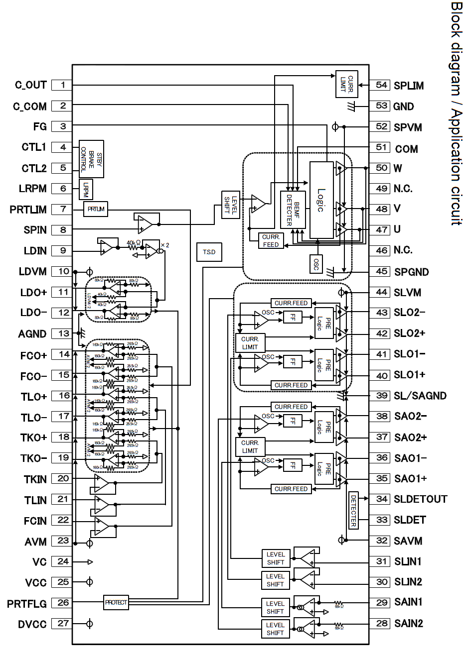
Guten Morgen! Keine 'ne Idee? Ich hab mal das was ROHM Datenblatt nennt in den Anhang gepackt. Nico
Hallo Nico, auf den ersten Blick scheint dieser Treiber sehr speziell für CD/DVD Laufwerke zu sein. Wenn Du nicht gerade etwa 1Mio pro Jahr in Deinen Keller herstellst, könnte es sein, dass Du keine weiteren Informationen bekommst. Anders gesagt, warum gerade dieser, wenn es von anderen Herstellern einfachere und besser dokumentierte gibt ? Gruß
Hallo Michael, es soll ein Brenner entwickelt werden und deswegen passt dieser spezielle Treiber auch sehr gut! Grüße, Nico
Bitte melde dich an um einen Beitrag zu schreiben. Anmeldung ist kostenlos und dauert nur eine Minute.
Bestehender Account
Schon ein Account bei Google/GoogleMail? Keine Anmeldung erforderlich!
Mit Google-Account einloggen
Mit Google-Account einloggen
Noch kein Account? Hier anmelden.
