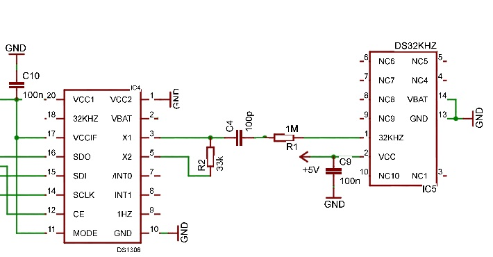
guten tag, (mal wieder) da ich hier im forum schon sehr viel hilfe erhielt, tanze ich wieder mit einem neuen problem an. und zwar möchten wir eine ds1306 betreiben - und um eine möglichst genaue zeit zu erhalten wollten wir diese mit dem ds32khz quartz kombinieren. bei dem aufbau hielten wir uns völlig nach der zeichnung im ds32khz datenblatt (auf seite 7/8, figure 6). nur würde das ganze nun so funktionieren wie erwartet, würde ich diesen thread hier nicht erstellen. naja, was zur zeit funktioniert ist der 32kHz Ausgang der DS32khz. Jedoch funktioniert der 32khz ausgang der DS1306 noch nicht (dieser müsste aber laut datenblatt immer present sein) - dafür erhalte ich am 32khz ausgang der ds1306 nur einen durchgehenden high pegel. wie immer vielen dank im voraus! mfg, zoechi
mhm, auf die zeile bin ich auch bereits gestoßen, die frage ist nur, was verstehen die unter floaten lassen? übersetzt würds heißen ich soll den einfach lassen machen was er will, bzw. einfach dahintreiben lassen und ja, - nur was bedeutet das für mich jetzt auf die schaltung bezogen? soll ich den auf gnd schmeißen? mfg edit: hab grad sufu benutzt, floaten bedeutet also ich lasse den kontakt einfach offen?
Verbinde mal den Ausgang vom DS32khz direkt mit X1 und lasse X2 offen. Die Konstruktion mit R1, R2 und C4 soll ja nur den Stromverbrauch reduzieren, das kannst Du dann später angehen. Schau auch mal nach, ob der Ausgang des DS1306 evtl. einen Pullup benötigt (so wie der Ausgang 1Hz).
schönen danke, funktioniert soweit, konnte die uhr aber erst provisorisch testen, aber zumindest der 32khz ausgang der rtc passt, und schreiben und lesen funktioniert auch soweit richtig soweit ich das bis jetzt beurteilen konnte.
Bitte melde dich an um einen Beitrag zu schreiben. Anmeldung ist kostenlos und dauert nur eine Minute.
Bestehender Account
Schon ein Account bei Google/GoogleMail? Keine Anmeldung erforderlich!
Mit Google-Account einloggen
Mit Google-Account einloggen
Noch kein Account? Hier anmelden.
