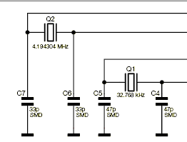
Hallo, ich habe Bausätze FHT-8I von ELV gekauft. Da ich diese Zusatzplatine mangels Höhe im Gehäuse nicht rein bringe, bringe ich die ELV-Schaltung auf meinem Board unter. Den Prozessor und das EEPROM löte ich von der ELV-Platine runter und verwende diese auf meiner Platine. Ich möchte nun aber nicht die bedrahteten Quarze verwenden, sondern in SMD-Ausführung (da es für die bedrahteten Pads auf der Lötseite eigentlich keinen Platz hat. Ich bin mir nun nicht sicher, welche Lastkapazität dieser SMD-Quarz haben muß. Bei dem Bausatz von ELV ist diese Angabe nicht angegeben. ELV hat den Prozessor SAMSUNG S3C72N4 verwendet. Welche Lastkapazität der verwendete bedrahtete Quarz von ELV hat, sieht man ja leider nicht. Ich hoffe es kennt sich hier jemand damit aus. Gruß Martin
Bitte melde dich an um einen Beitrag zu schreiben. Anmeldung ist kostenlos und dauert nur eine Minute.
Bestehender Account
Schon ein Account bei Google/GoogleMail? Keine Anmeldung erforderlich!
Mit Google-Account einloggen
Mit Google-Account einloggen
Noch kein Account? Hier anmelden.
