Hallo Nach dem ich gerade an einem Digitalen Drehzahlmesser mit einem AVR bin habe ich mir auch mal Gedanken gemacht einen reinen Analogen Drehzahlmesser ohne Microcontroller zu machen. Ich meine nicht mit einem Tachogenerator. Ich habe mir folgendes vorgestellt. Mit einer Gabellichtschranke und einer Lochscheibe erfasse ich die Drehzahl. Diese Impulse bereite ich mit einem Schmitt Trigger auf. Dann werde ich mitels einer monostabilen Kippschaltung mit einem Timer 555 pro Impuls einen Impuls mit definierter länge erzeugen. Diese Impulse werde ich mit einem Kondensator glätten. Je mehr impulse ich pro Zeit erhalte desto höher ist also die Spannung die ich dann mit einem nichtinventierenden OPV auf das Niveau einen Zeigerspannungsmeter angleiche. Geht so was? Ist die Spannung Linear zur Drehzahl? Gibt es Impuls/Spannungswandler? Oder wie würdet ihr so was machen? Gruss Bald kommt der Weihnachtsmann
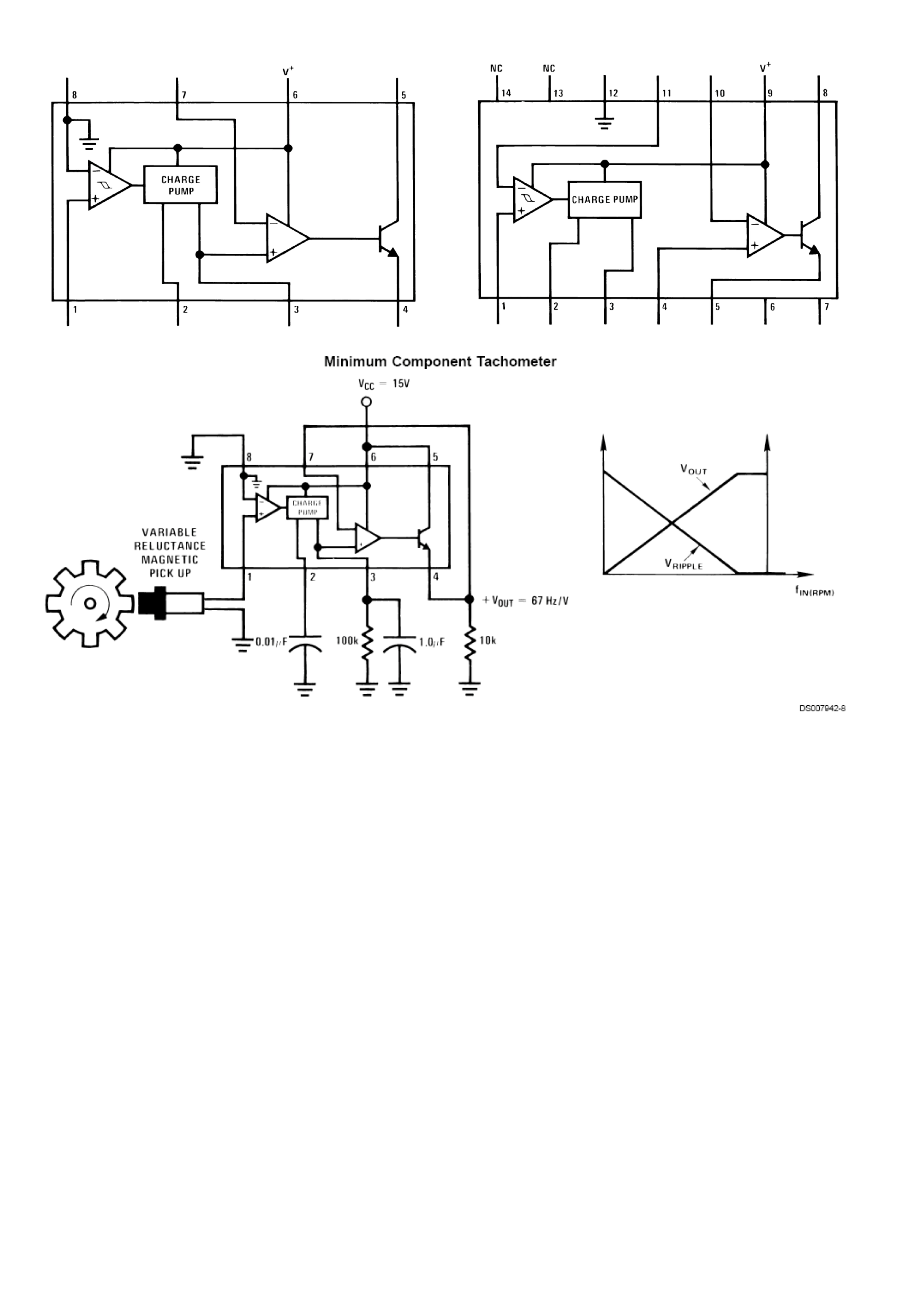
Hallo, es gibt spezielle Frequenz-Spannungswandler die linear arbeiten. Bin aber selbst noch nicht ganz dahintergestiegen da Reichelt mir nen anderen LM2907 geschickt hat der etwas anderst beschaltet ist(siehe Bild). Diese Spannung würde ich dann mit einem AVR ausmessen. z.B. ATtiny26 und dann mittels Schrittmotor mit Getriebe eine Nadel bewegen. Am besten man nimmt gleich Schrittmotoren aus Tachos oder Drehzahlmesser weil die sehr kleine Schitte machen durch das integrierte Getriebe.
Hallo Thomas Ich möchte eben mal was ohne Microcnontroller machen. Der Drehzahlmesser kommt in kein Fahrzeug er ist stationär. Da die Drehzahl nur lansam steigt/fällt will ich sie mit einem normalen Voltmeter anzeigen. Gruss Weihnachtsmann
Hallo, dann nimmste einfach nur nen 2907 und ein analogen Spannungsmessgerät.
Nimm einen XR4151 - ist ein Frequenz-Spannungswandler.
Hallo Was ist am XR4151 besser als am 2907? Gruss Weihnachtsmann
Bitte melde dich an um einen Beitrag zu schreiben. Anmeldung ist kostenlos und dauert nur eine Minute.
Bestehender Account
Schon ein Account bei Google/GoogleMail? Keine Anmeldung erforderlich!
Mit Google-Account einloggen
Mit Google-Account einloggen
Noch kein Account? Hier anmelden.
