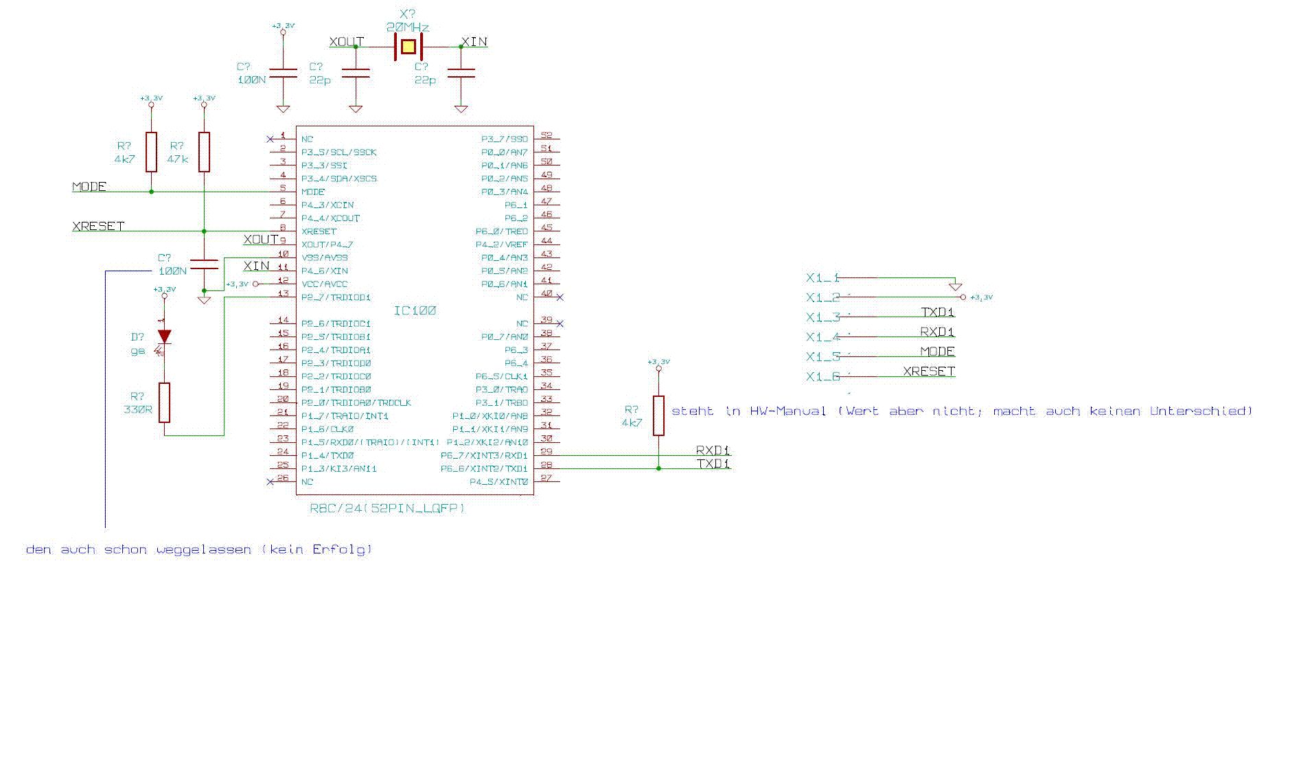
Hallo, ich probiere jetzt schon einige Zeit herum, aber ich bekomme das Teil einfach nicht zum Laufen. Es kommt beim Aktivieren des KD30 Debuggers mit der seriellen Schnittstelle: "Communication ERROR. Can't accept data. ERROR(16014)" Leider ist die Dokumentation bei Renesas sehr unübersichtlich und ich weiß nicht wie ich es besser eingrenzen kann. Ich habe vorher mit dem R8C/13 gearbeitet und wollte jetzt auf ein Derivat mit größerem Speicher umsteigen. Der R8C/13 lauft auch noch, das habe ich gerade nochmal probiert. Der R8C/24 (genauer ein R5F21248SN FP) ist in seiner Minimalbeschaltung an eine kleine Platine mit einem RS232 Tranceiver, einem Jumper für Mode und einem Resettaster an den PC angeschlossen. Das Teil verwende ich auch schon für den R8C/13. Das geht also. Auf der Targetplatine ist ein Quarz mit 20MHz und die beiden 22pF Kondis gegen Masse. Ein 4k7 Pullup an Mode, VSS und VCC sind verdrahtet. Dann ist nur noch der TXD1 und RXD1 mit der besagten Platine verbunden. Im HW-Manual stand bei den Beispielschaltungen für Debugging was von einem Pullup an TXD1, was ich zwar nicht ganz verstanden habe, da das ein Ausgang ist, aber auch das hat nicht geholfen. Im Anhang ist meine Schaltung nochmal als pdf. Ich verwende 3,3V als Spannungsversorgung aus einem Konstanter. Da der R8C/13 seine Problemchen mit 3,3V hatte, habe ich auch mit den 47k Pullup und dem 100NF Kondensator probiert. Auch das Probieren mit verschiedenen mcu-Files hat keinen Erfolg gebracht. Im Anhang ist der Schaltplan. Hat jemand von Euch einen Tipp wo bzw. nach was ich noch suchen könnte? Das wäre echt nett. Grüße Uwe
Bitte melde dich an um einen Beitrag zu schreiben. Anmeldung ist kostenlos und dauert nur eine Minute.
Bestehender Account
Schon ein Account bei Google/GoogleMail? Keine Anmeldung erforderlich!
Mit Google-Account einloggen
Mit Google-Account einloggen
Noch kein Account? Hier anmelden.

