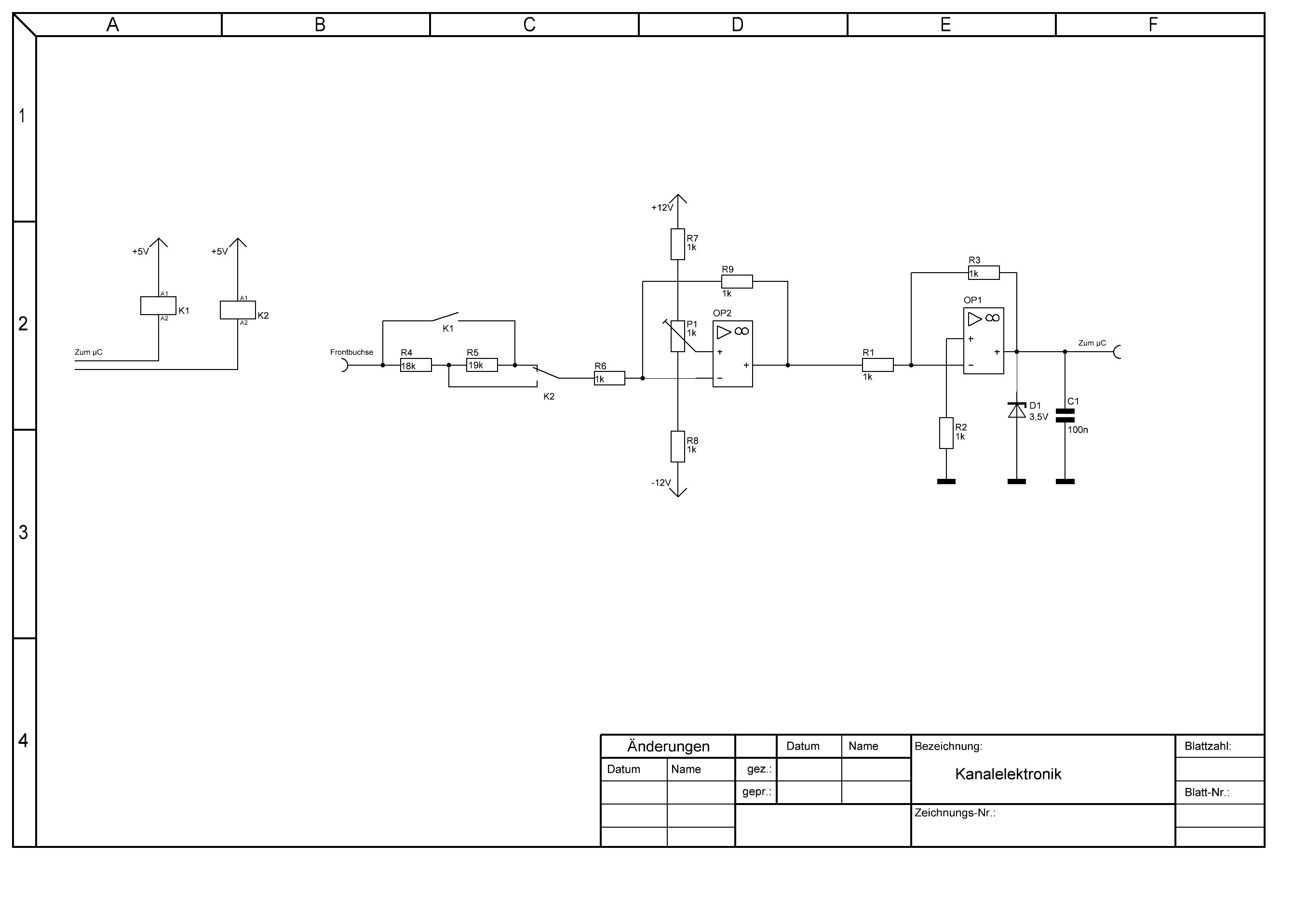
Hallo zusammen! Ich bin dabei mir ein "8-Kanal-Spannungsmessgerät" zu bauen. Herzstück ist ein ATmega16. Bisher besteht das Messgerät aus einem Gehäuse mit Netzteil (+12V, -12V, 5V), Display mit 2x20 Zeichen, einem Encoder (Impulsgeber) zur Menüsteuerung und einer Hauptplatine mit dem µC und RS232 anbindung. Das funktioniert auch alles schon recht gut. Da der Messbereich sich derzeit nur von 0 Volt bis zur Höhe der Referenzspannung von 2,56V erstreckt, möchte ich die DAC-Eingänge beschalten. Im Anhang ist ein Schaltplan, wie ich mir das gedacht habe. Vielleicht kann jemand ja mal drüber schauen, ob das so funktioniert. OP2 macht eine Abschwächung des zu messenden Signals. Durch K1 und K2 habe ich die Möglichkeit vier Messbereiche zu steuern. Durch R7, R8 und P1 verschiebe ich dir virtuelle Masse und damit quasi auch die Masse des zu messenden Signals. Dann kann der µC nämlich den gesamten Spannungsverlauf von -60V bis +60V erfassen und durch entsprechende Berechnung darstellen. (-60V entspricht 0x00 und +60V entspricht 0x3FF) OP1 buffert das Signal einfach noch einmal. D1 schützt den ADC vor Überspannung. So, das wars. Welche OPs ich genau einsetzten sollte, weiß ich noch nicht genau. Vielleicht hat da ja jemand noch einen Tipp für mich. Vielen Dank im Voraus! LG, Lukas.
Bitte melde dich an um einen Beitrag zu schreiben. Anmeldung ist kostenlos und dauert nur eine Minute.
Bestehender Account
Schon ein Account bei Google/GoogleMail? Keine Anmeldung erforderlich!
Mit Google-Account einloggen
Mit Google-Account einloggen
Noch kein Account? Hier anmelden.
