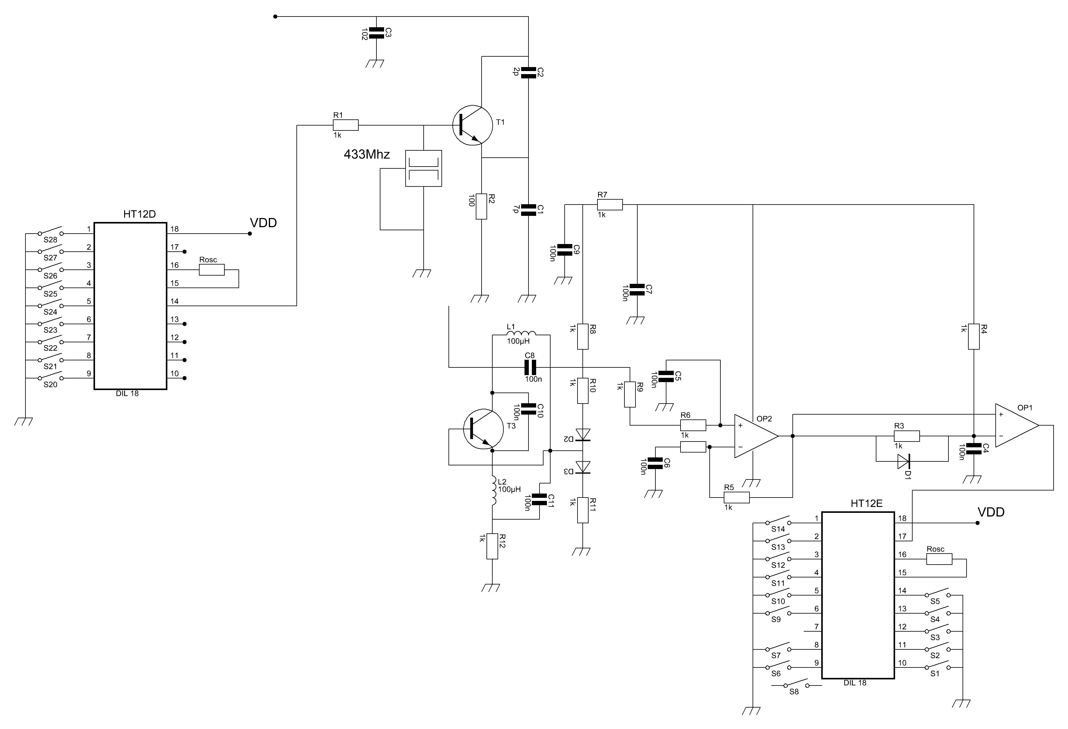
Hallo! Ich hab mich mal ein bisschen schlau gemacht und einen Funk Sender und Empfänger mit dem HT12E und HT12D sowie dem Funksender Bausatz von Conrad geplant! Jetzt möchte ich mir hier einen Rat einholen ob das so funktionieren kann wie ich das gedacht/geplant hab. Und so neben bei ein Frage: Wenn ich das richtig verstanden hab kann ich beim HT12E mittels Ein/Aus Schalten der Schalter S1 usw. den gesendeten Binär-Code ändern oder? Und der Binär Code kommt dann beim HT12D wieder raus oder??? Und kann ich mehrere Sender/Empfänger nebeneinander laufen lassen ohne das diese sich iritieren? DANKE Datenblatt HT12E http://docs-europe.origin.electrocomponents.com/webdocs/0051/0900766b8005134f.pdf Datenblatt HT12D http://docs-europe.origin.electrocomponents.com/webdocs/0051/0900766b8005134c.pdf Datenblatt und Link vom Conrad Funksender http://www.conrad.at/ce/de/product/130428/SENDE-EMPFAeNGERMODULSET-433MHZ/2401020 http://www.produktinfo.conrad.com/datenblaetter/125000-149999/130428-sp-01-en-Sender_Empfaenger_Modul_Set_433MHz.pdf
hi, ich hab mir auch die gleich Aufgabe gestellt und mir auch diese beiden IC´s rausgesucht. Ich habs auch so verstanden dass man dan einfach die Taster anschließen muss, bin mir aber nicht zu 100% sicher ob da nicht noch was fehlt. Du hasts doch sicher mitlerweile mal ausprobiert... Mit mehreren Sendern/Empfängern parallel kann aber nur funktionieren wenn sie über verschiedene Frequenzen laufen. gruß tim
Bitte melde dich an um einen Beitrag zu schreiben. Anmeldung ist kostenlos und dauert nur eine Minute.
Bestehender Account
Schon ein Account bei Google/GoogleMail? Keine Anmeldung erforderlich!
Mit Google-Account einloggen
Mit Google-Account einloggen
Noch kein Account? Hier anmelden.
