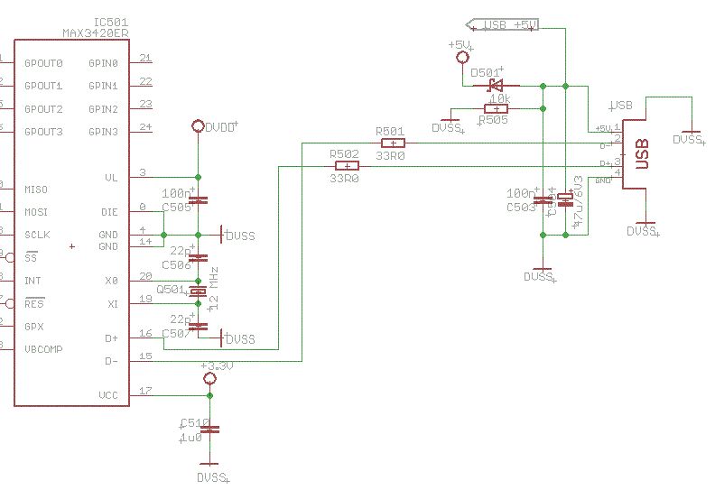
Hi Leute, ich habe folgendes Problem: In meinem Projekt benutzte ich eine MAX3420 als USB-SPI-Schnittstelle. Die Beschaltung ist erfolgt wie im Datenblatt vorgeschlagen. Alle Spannungen sind vorhanden, mein Quarz schwingt mit 12 MHz. (Schaltplan als Anhang/ DVDD=2,5V / DVSS=GND) Wenn ich jedoch das System an meinen Rechner anstecke, passiert nichts. Es erscheint keine Meldung das ein HID-System gefunden worden ist und im Gerätemanager taucht auch nichts auf. Wo liegt der Fehler? Hat jemand eine Erklärung und/oder Hilfestellung? Gruß Alex
Bitte melde dich an um einen Beitrag zu schreiben. Anmeldung ist kostenlos und dauert nur eine Minute.
Bestehender Account
Schon ein Account bei Google/GoogleMail? Keine Anmeldung erforderlich!
Mit Google-Account einloggen
Mit Google-Account einloggen
Noch kein Account? Hier anmelden.
