Hallo, ich habe ein Problem mit einem 74HC240, wenn ich nur 5V und Masse anschließe, leuchten die LEDs D1, D4, D5, D7 und D8(siehe Schaltung. An den Pins liegen immer so um die 0,14V. Durchgeprüft habe ich müßte stimmen. Kann ich den 74HC240 prüfen ob er nicht defekt ist. Hatte zuerst VCC und Masse vergessen, da haben die LEDs aber auch schon geleuchtet. Dr.Tod
Hallo, die Eingände des HC240 sind aber auf definiertem Potenzial und hängen nicht nur frei in der Luft? Ist schließlich ein CMOS-IC, das mag offene Eingänge prinzipiell nicht, weil diese eben sehr hochohmig sind und jede Störung einfangen. Gruß aus Berlin Michael
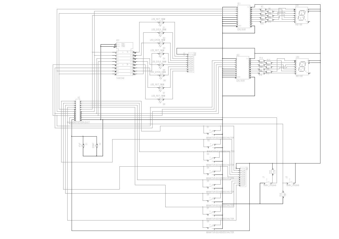
> An den Pins liegen immer so um die 0,14V.
An welchen Pins? Pull Downs an den x/G Enable Leitungen und an den xA
Eingängen können dir den gewünschten Ruhezustand an den xY Ausgängen
sicher stellen.
An Pin 5, 9, 12, 14 und 18 messe ich die 0,14V. Pin 1, 10 und 19 liegen auf Masse. Pin 20 an 5V. Pin 2, 4, 6, 8, 11, 13, 15 und 17 gehen über einen Stecker an den Mikrocontroller. Die LEDs leuchten aber auch wenn die andere Platine an dem Stecker steckt. Pin 3, 5, 7, 9, 12, 14, 16 und 18 gehen auf die LEDs an die Kathode die andere Seite hängt über ein Widerstandnetzwerk an 5V. Dr.Tod
> An Pin 5, 9, 12, 14 und 18 messe ich die 0,14V. Ausgänge xY > Pin 1, 10 und 19 liegen auf Masse. GND und die beiden x/G Enable Eingänge > Pin 2, 4, 6, 8, 11, 13, 15 und 17 gehen über einen Stecker an den µC Eingänge xA. Rüste diese Eingänge mit je einem Pull Down Widerstand aus z.B. Signalleitung 10 kOhm gegen GND. µC o------+------o 74HC240 | # # Pull Down 10k # | o GND > Pin 3, 5, 7, 9, 12, 14, 16 und 18 gehen auf die LEDs an die Kathode Ausgänge xY
Bitte melde dich an um einen Beitrag zu schreiben. Anmeldung ist kostenlos und dauert nur eine Minute.
Bestehender Account
Schon ein Account bei Google/GoogleMail? Keine Anmeldung erforderlich!
Mit Google-Account einloggen
Mit Google-Account einloggen
Noch kein Account? Hier anmelden.
