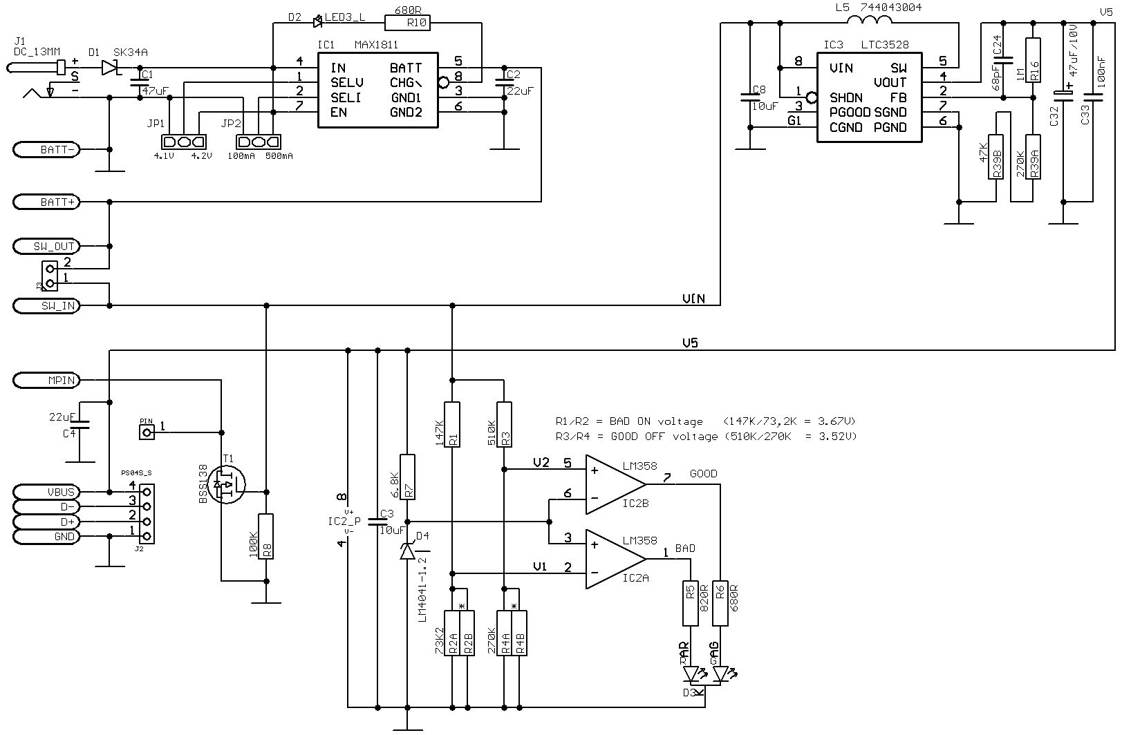
Hallo zusammen, ich suche eine Alternative zum IC3 (Typ LTC3528) oben rechts. Es handelt sich dabei um einen Step-Up-Converter der mir die Batteriespannung von 3,7V auf 5V boosten soll. Habt ihr einen Vorschlag für mich? Im Anhang befindet sich der aktuelle Schaltplan. ----------- Kurze Erklärung zum Schaltplan, falls notwendig: Oben links befindet sich die Ladeeinheit für den Akku. Es handelt sich dabei um einen Li-Ion Akku 3,7 Volt - 2600mAh. Links Mitte ist der Ein/Aus-Schalter. Unten links ist der Anschluß für USB mit einem FET der einen Massepin auf Ground zieht. Der Massepin beeinflusst die Betriebsart der zweiten angeschlossenen Platine. Unten rechts ist eine OP-Vergleichsschaltung, die mir über eine Duo-LED die restliche Akkuspannung optisch anzeigt. Dient dazu, dass der Akku nicht Tiefentladen wird (bei roter LED ausschalten und Akku laden!) und man in etwa die restliche Laufzeit bestimmen kann. ----------- Danke für eure Hilfe!
Was sagt denn die parametrische Suche bei Linear Technologies wenn man nach etwas Vergleichbarem Sucht ?
Also folgende Suchergebnisse hören sich ganz gut an, was meint ihr dazu? LTC3401 - http://www.linear.com/product/LTC3401 # 1A Switch Current Rating # Wide Input Range: 0.5V to 5V (Operating) # 2.6V to 5V Adjustable Output Voltage LTC3423 - http://www.linear.com/product/LTC3423 # 1A Switch Current (LTC3423) # Wide Input Range: 0.5V to 5.5V (Operating) # 1.5V to 5.5V Adjustable Output Voltage Hier der Link zu der Sucheingabe: http://parametric.linear.com/html/micropower_boost?vin_min=3&vin_max=4&vout=5&iout=0.5&qs=1&&c[1646][]=Boost&c[1032][]=*||3&c[1033][]=4||*&c[1034][]=5||*&c[1035][]=1.2500000000000002||3.7500000000000004
Bitte melde dich an um einen Beitrag zu schreiben. Anmeldung ist kostenlos und dauert nur eine Minute.
Bestehender Account
Schon ein Account bei Google/GoogleMail? Keine Anmeldung erforderlich!
Mit Google-Account einloggen
Mit Google-Account einloggen
Noch kein Account? Hier anmelden.
