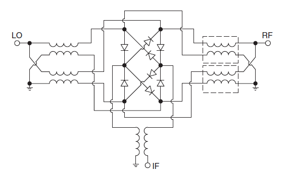
Hi, ich habe im Datenblatt vom ZX05-42MH+ diese Schaltung gesehen. Ist anders als so ein 4-Dioden Ringmischer. Wo sind da die Vor-und Nachteile?
Da ich bis jetzt keine Antwort bekamm, habe ich mal das Datenblatt von diesem Mini-Circuits-Mischer hochgeladen. Damit jeder weiss wovon hier die Rede ist.
Funktionsprinzip und Vorteile sind hier beschrieben: http://www.minicircuits.com/pages/pdfs/an00002.pdf
In erster Linie höhere Isolation der Ports gegeneinander und größere Bandbreite. Übrigens genau diesen Mischer habe ich nachträglich in meinen HP8555 Spektrumanalyzer als zusätzlichen Mischerzug eingebaut um den Frequenzbereich 10MHz-2000MHz zu verbessern. Dieser Bereich hat jetzt einen größeren intermodulationsfreien Dynamikbereich. Ralph Berres
Bitte melde dich an um einen Beitrag zu schreiben. Anmeldung ist kostenlos und dauert nur eine Minute.
Bestehender Account
Schon ein Account bei Google/GoogleMail? Keine Anmeldung erforderlich!
Mit Google-Account einloggen
Mit Google-Account einloggen
Noch kein Account? Hier anmelden.
