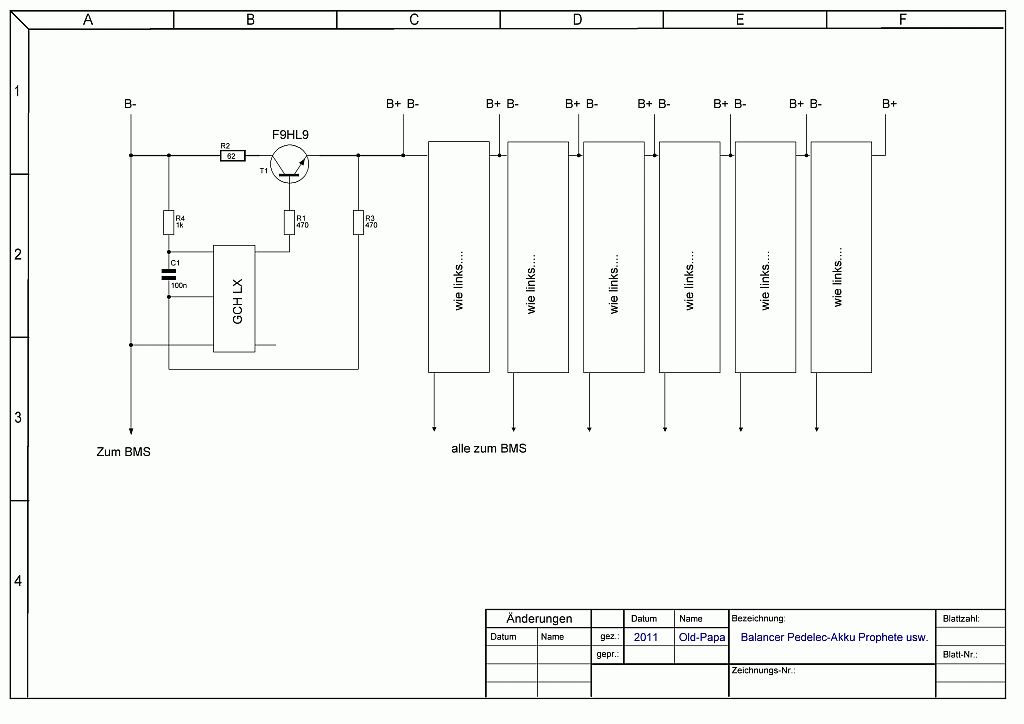
Hallo, ich habe einen Akku aus einem Pedelec (Elektrofarrad ;-)) mit einem Fehler gehabt. Der Fehler ist beseitigt, die Balancer taten wohl nicht, was sie sollten. Die sind scheinbar auch sehr schwach ausgelegt, aber egal... Neben ein paar Widerständen (alles SMD) sind noch ein Transistor und ein IC verbaut. Die Schaltung habe ich mal aufgenommen (Anlage) doch das verbaute IC finde ich nirgends. Den Transistor auch nicht, steht F9HL9 drauf... Was ist das für Zeugs? (Klar, sowas wie ein Präzisionsspannungregler) GRuß Old-Papa
bestimmt sowas: http://www.datasheetarchive.com/S-8241ACLMC-GCL-T2-datasheet.html S-8241ACLMC-GCL-T2
Bitte melde dich an um einen Beitrag zu schreiben. Anmeldung ist kostenlos und dauert nur eine Minute.
Bestehender Account
Schon ein Account bei Google/GoogleMail? Keine Anmeldung erforderlich!
Mit Google-Account einloggen
Mit Google-Account einloggen
Noch kein Account? Hier anmelden.

