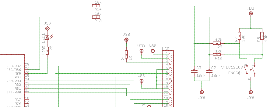
Hallo Leute, Aufgrund meines Layoutes habe ich keine anderen Portpins mehr frei, um einen Encoder an einen PIC18 anzuschliessen. Kann ich die ICSP Schnittstelle mit der angehangenen Schnittstelle benutzen, oder werden die Leitungen durch die Kondensatoren vom Encoder zu stark belastet? Brenner ist ein Brenner 8 von Sprut. mfG Root
Du hast 10K dazwischen (R13 und R14). Da sollte nichts passieren. Geht.
Aber die 100nF (C1) sind zu viel für den MCLR. Weglassen oder irgendwas im pF-Bereich. Da klappt die Programmierung in der Schaltung nicht. EMV-maßig kann ein (kleines) C dort Sinn machen. Für alles Andere gibt's den Power-Up Timer.
Habe jetzt mal 1nF rangehangen. Die 100nF am Mclr haben mir schon mal meinen A**** bei einer EMV Messung gerettet. Da war aber keine ICSP Schnittstelle vorhanden.
Bitte melde dich an um einen Beitrag zu schreiben. Anmeldung ist kostenlos und dauert nur eine Minute.
Bestehender Account
Schon ein Account bei Google/GoogleMail? Keine Anmeldung erforderlich!
Mit Google-Account einloggen
Mit Google-Account einloggen
Noch kein Account? Hier anmelden.

