Hallo ,ich habe eine etwas ältere Schiffslampe (ca. 12cm Durchmesser und ca. 5cm Hoch Mit Mattiertem Glas und Messingeinfassung) die ich als Orientierungslicht betreibe. Zum einen kommt da eine recht seltenes Leuchtmittel zum einsatz (Bajonettfassung mit 2 Fußpunkten) das immer schwieriger zu besorgen ist und zudem nicht gerade billig ist und zum aderen frisst diese Lampe relaitv viel Energie weil sie häufig an ist. Ein bekannter hat sie vor einigen Jahren mit einer Diode versehen um Energie zu sparen (Muß ja nicht hell leuchten aber unter 29W bekomme ich keine Birnen) und die Lebensdauer etwas auszudehnen (Die letzte hat 6 Jahre gehalten). Jetzt möchte ich sie auf 6 Weiße LEDs umrüsten (Die Lampe muß bleiben) aber ein Trafo passt da nicht hinein und daneben möchte ich auch nichts hängen. gibt es da denn nichts was man machen könnte ? Nina
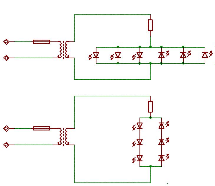
Diese Schaltung funktioniert zwar, aber sie ist nicht das Wahre (direkt am Lichtnetz)! Schau mal bei Reichelt oder Conrad, da gibt es ganz kleine vergossene Trafos mit teilweise weniger als 5VA. Wenn so einer passt empfehle ich dir diesen zu nehmen! Der Vorteil dabei ist die galvanische Trennung vom Lichtnetz, was die Sache wesentlich ungefährlicher macht. Hierfür brauchst du nur wenig mehr Bauteile. Ein Gleichrichter ist nicht notwenig, wenn du die LEDs in gleicher Anzahl antiparrallel schaltest. Hierzu zwei Vorschläge im Anhang, je nachdem, wie die Ausgangsspannung des Trafos ist. I.d.R. haben die kleinsten ca. 6-9V~ Ausgangsspannung. Da ist die untere besser. Nicht vergessen den Widerstand so auszulegen, dass bei dem Maximalwert der Spannung der max. Pulsstrom durch die LEDs nicht überschritten wird! Gruß Henrik
Schiffslampe?! Wird diese leuchte noch immer auf einem Schiff z.B. als Positionslampe genutzt oder ist sie ein nettes Accessoire Deiner Einrichtung?
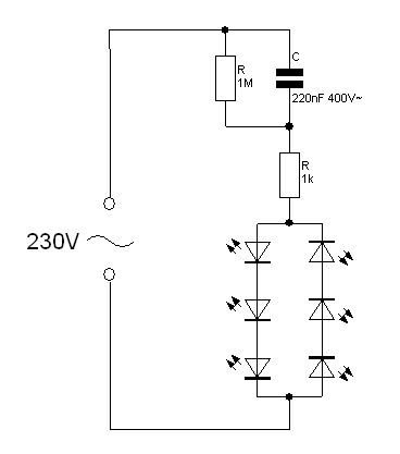
Ich denke mal letzteres es sei denn ihr Zuhaus ist schwimmfähig gg Es geht auch recht Simpel. Schaltung im Anhang. Wie bei Henrik sind die LED's in 2 Antiparalllele Gruppen aufgeteilt um die niedrige Sperrspannung der LED's zu berücksichtigen. Obendrein ist dann bei 100Hz aber wirklich kein Flimmern mehr zu sehen. R schützt einwenig vor deffektem Kondensator und begrenzt den Einschaltstrom. C dürfte wohl klar sein. (zb. Wima MKS-4 220N 1000V-/400V~ +-20%) Ich habe etwas Reserve veranschglagt (LED's je 3V ca. 15mA). Selbst mei Maximaler Tolleranz des Kondensators und bis zu 10% Netzschwankungen ist hier immernoch reichlich Reserve vorhanden. Kostenpunkt: Kondensator und Widerstand unter 1 Euro ohne Versand. Natürlich auch von mir die Warnung das man mit Netzspannung nicht scherzen sollte und das alles sauber und Isoliert aufgebaut sein sollte um Unfälle zu vermeiden. Ein Netzteil wäre da immer die sichere Variante. PS: ich nutze diese Schaltung selber seit einigen Jahren ohne ausfälle. Alle Angaben natürlich ohne Peng Peng
nun, da es nur eine LED ist könnte man doch den Trafo in einem wirklich kleinen Steckernetzteil unterbringen. Galvanische Trennung gegen tödliche Stromschläge, die LED wirds danken und das Kabel kann auch dünner ausfallen. möchtest Du auch noch eine Flugsicherungsleuchte für Deine Wohnung haben?
Ah Ratber, gut, dass du hier mitliest und die Frage in mehreren Foren gestellt wurde ;) Was macht in dieser Schaltung R1? http://jm.abinullfuenf.de/pics/230V-cap-led.GIF Hab es aus nem Elektor-Halbleiterheft abgekupfert. ElKo hat sowas auch aber die erklären auch nicht, wozu R1 gut ist.. Kann deinen Anhang leider nicht finden ;) aber ich habe bei ocinside schon mal versucht, die Dimensionierung zu erklären: http://www.forum-inside.de/cgi-bin/forum/topic.cgi?forum=16&topic=1926 Kannste mal drüber schauen, ob das so stimmt?
R1 ist der Entladewiderstand für den Kondensator, wenn die Netzspannung abgeschaltet wird. Ansonsten ist da je nach Qualität des C und des Abschaltmoments noch richtig Saft drauf.
Die Antwort auf den 1M -Widerstand haste ja nun. Ich schenke mir den normalerweise da die Schaltung komplett und auf Dauer verbaut wird und normalerweise keiner im Lampengehäuse herumfingern sollte. Wer will kann ihn natürlich mit in die Schaltung reinnehmen. Ich hab mal nen kleinen Plan zusammengetakert (Siehe Anhang)
Habe mir gerade die Schaltung von Madwilli mal angesehen. So funktioniert die nicht! Die Led wird nur beim Einschalten mal kurz aufleuchten, dann ist schluß! Die Diode sperrt die Richtung, über die der Kondensator sich umladen muß. Außerden fehlt eine Antipar. Led zur ersten und Stromfluß in beide Richtungen zu haben. Henrik
Öh,yo,stimmt. Hab mirt das garnicht richtig angesehen. Nimm die Diode Antiparallel zur LED dann stimmt es wieder. Is sozusagen die Standardschaltung für eine LED
@Ratber Ja,danke genau das habe ich gesucht. So werde ich es machen. Ich lasse mir die Schaltung von einem Kollegen zusammenbauen und Testen bevor sie in die Lampe wandert. Herzlichen Dank dafür. @Jmoney Ja ich habe das auch in Ocinside reingesetzt falls ich hier falsch gewesen wäre und viel mehr Seiten mit Elektronikecke habe ich auch nicht so schnell gefunden. Die anderen Suchergebnisse waren meist Tot (Letzte Beiträge schon wochen oder Monate alt). Eine Frage. Lesen die Leute bei Ocinside auch mal bevor sie antworten ? Das einzig brauchbare kam von dir ,die beiden Moderatoren wissen scheinbar auch nicht so recht bescheidt (ich habe auch nicht die große Ahnung.Ohmsches Gesetz und etwas einfacheres Wissen ist da aber mehr nicht.Bei Wechselspannung höhrt es schon auf) und Blazer ,Qunkel ,der Papst haben sich da nicht gerade mit ruhm bekleckert. Auf die Idee mit den LEDstahlern oder einem Netzteil bin ich auch schon gekommen aber der Platz reich eben bei weitem nicht aus. Komischer Verein. Ist doch hoofentlich nicht immer so ? @Alle anderen Danke für die Antworten.
BTW:
240V-Lampen ("Leuchtmittel") mit Bajonett und zwei Kontakten gibt es
in Großbritannien bei Tesco* zu kaufen. Kostet dort weniger als 50
pence (~ 0.75 EUR). Diese Bauform ist in Großbritannien nach wie vor
gängig.
Mit anderen Sockelbauformen (GU10, E27) gibt es übrigens bereits
"fertige" 230V-LED-Lampen zu kaufen; ist bloß fraglich, ob die die
geeignete Abstrahlcharakteristik haben.
Es ist natürlich ein Sakrileg, in einer alten, klassischen Messinglampe
die Fassung auszubauen ...
Was spricht eigentlich dagegen, einen Trafo außerhalb des
Lampengehäuses unterzubringen? Ein kleines wassergeschützes Gehäuse
(IP55 o.ä.) sollte sich auf einem Boot doch noch irgendwo unterbringen
lassen ...
*) das ist eine recht weit verbreitete Supermarktkette
Aha,hier gibt es auch einen der nicht lesen kann aber unbedingt seinen Senf geben muß gg Wo habe ich geschrieben das ich ein Boot habe ? Ich habe davon eine Lampe und sonst nix. Und das ein Externer Trafo nicht in betracht kommt habe ich auch betont. Was die Birnchen betrifft ist es mir recht Egal ob die in GB nur 50p (0.73 Eurocent) kosten denn hier bei mir kosten die fast 8 Euro und das ist zuviel. Und zuletzt kommst du ne Dreiviertelstunde zuspät. Ich habe was ich wollte ;)
Leuten das nicht-lesen-können zu unterstellen, wenn man sich selbst nur äußerst undeutlich ausdrückt und nicht auf eindeutige Fragen (hier: von tex) eingeht, ist ... gewagt. Lassen wir's.
@Nina: Das ocinside-Forum ist leider oft so schlimm. Man wird auch ziemlich schnell runtergemacht, wenn man mal nen Fehler macht oder ne alternative Auffassung hat. @Ratber: Meiner Meinung nach hat die Version ohne Gleichrichterbrücke und Elko 2 Nachteile: 1. Die 100Hz erreicht man nur, wenn man eine genügende Anzahl an LEDs hat (mindestens 2 in jede Richtung). 50Hz kann ansonsten bei LEDs denk ich recht nervig und auf Dauer vielleicht sogar ungesund sein. 2. Jede LED leuchtet nur eine Halbwelle lang und helle weiße LEDs können recht teuer sein. Je nach Anwendung kann man dadurch also die Bauteilkosten fast verdoppeln. Außer natürlich, man könnte durch die mehr oder weniger gepulste Ansteuerung den Strom entsprechend höher fahren. Glaub ich aber irgendwie nicht, denn irgendeinen Grund muss es ja geben, warum die Hersteller in diesen Halogenfassungen Gleichrichter verbauen ;) @all: Mir ist übrigens bewusst, dass beide Nachteile hier wohl nicht ins Gewicht fallen, ist mehr so ne Haarspalterei..
@Rufus ***** Leuten das nicht-lesen-können zu unterstellen, wenn man sich selbst nur äußerst undeutlich ausdrückt und nicht auf eindeutige Fragen (hier: von tex) eingeht, ist ... gewagt. ***** Was ist denn an meinem ersten Post oben nicht zu verstehen ? Da steht "Hallo ,ich habe eine etwas ältere Schiffslampe (ca. 12cm Durchmesser und ca. 5cm Hoch Mit Mattiertem Glas und Messingeinfassung) die ich als Orientierungslicht betreibe." Also eine Lampe mit 12cm Duchmesser und 5 cm Höhe. Damit fallen Trafo und Halogenstrahlerersatz schon komplett weg. Desweiteren habe ich gesagt das ein Externer Trafo nicht in betracht kommt. Warum ist doch egal.Ichz möchte keinen und damit fertig. Aus der Überschrifft ist dann noch zu ersehen das ich die Lampe an 230V betreibe also fällt ein kleineres Schiffchen damit raus denn da gibt es keine 230V. Hätte ich was in pasender Größe dann hätte ich auch Geld um mir die Lampe irgendwo machen zu lassen und müßte nicht selber sehen wie ich es hinbekomme. Das alles dürfte für jemanden der der Deutschen Sprache mächtig ist eigentlich gut zu verstehen sein. Man muß nur lesen können ;) Im Gegenteil ,ich finde es gewagt nach so einem Auftritt auch noch groß auf den Putz zu hauen denn es liegt ja auf der Hand das du hier mal eben reingeschneit bist und was fallen hast lassen. Du hast einfach nicht mitgelesen ,das liegt auf der Hand. Nur willst du es jetzt hier mit Gegenbeschuldigungen kaschieren. ***** Lassen wir's. ****** Das hättest du dir schon was eher überlegen sollen ;) Auch wenn ich ein Mädel bin heist das noch lange nicht das ich auch einfältig bin. ;-) @Jmoney Der Einwand leuchtet mir ein. Ich frag mal meinen Kollegen zu den 50/100Hz
@Henrik Aua! Wenn Du LEDs parallelschalten willst, muss vor jede LED ein kleiner Vorwiderstand. Da die LEDs nie die gleiche Durchlass-Spannung haben, bekommt sonst die LED mit der geringsten Durchlassspannung den meisten Strom, erwärmt sich stärker, die Durchlassspannung sinkt weiter, der Strom wird stärker... Wenn die LEDs bei ihrem Maximalstrom betrieben werden, führt das dazu, dass eine der LEDs zuviel Strom bekommt und die Lebensdauer rapide sinkt. Aber tröste Dich, diesen Fehler hat wohl auch Luxeon mit den 5W-LEDs gemacht. Wenn dann die verbauten Typen nicht exakt gleich sind, gibt's halt Ärger. Der Vorwiderstand ist auch hilfreich, wenn man Gleichrichter-Dioden zwecks Erhöhung des Stromes parallelschaltet. Sven
@all, die was gegen Rufus haben: Was habt ihr denn überhaupt? Mein Gott, er macht ab und zu mal ne komische Bemerkung aber er hat Ahnung von Elektronik(woran sich die meisten von euch ein Beispiel nehmen können). Und auf das kommt es hier an, nicht auf irgendwelchen formalen Kram, der euch nicht passt. Das musste ich einfach mal loswerden. Gruß Daniel
@Jmoney/Nina 50/100Hz: Nö da flimmert nix. Jedenfalls nicht für das Auge. Es sind bei meiner Schaltung 100Hz. Bei jeder Halbwelle Leuchtet ein Strang. Macht bei 50 Perioden dann genau 100 Hz. Wer das direkt sieht der sieht auch Leuctstofflampen Flackern. Bei denen ist nur der Unterbewuste effekt bekannt der einige Leute nervös machen soll die den ganzen Tag darunter sitzen. Bei Ninas Orientierungslicht vermute ich mal das sie da nicht den ganzen Tag davorsitzt und draufstarrt.*gg* Ich habe selber einige Leuchtmittel so umgestaltet und noch nie einen unangenehmen nebeneffekt bemerkt. Kann aber auch sein das ich schon halbtot bin und nix mehr mitbekomme fg @Rufus/Nina Wofür streiten ? Nina hat in gewisser weise schon recht. Wenn sie sagt das ein Externes Netzteil nicht in betracht kommt dann nehme ich das so hin. Intern ist bei den Abmessungen auch kaum was zu machen (Jedenfalls nicht Preiswert oder leicht beschaffbar) ------------------------- Ich hab da mal irgendwo nen netten LED-Treiber für Netzspannung gesehen der als Schaltregler und Regelkreis den Strom konstant hält,Dimmen zulässt und auch Störungen weitgehends abfängt. Leider ist der kaum zu bekommen und wenn ja dann nur für einen unakzeptablen Preis. Zudem benötigt er etwas umbeschaltung (Kleine Induktivität und 3 andere Bauteile.) --------------------- Ja und von einem Boot hat sie wirklich nix gesagt. aber was mache ich da eigentlich. Streitet euch meinentwegen. Ich halt mich raus. @Nina Für ein Flurorientierungslicht ist die schaltung voll ausreichend. Nochmal ausdrücklich zur Vorsicht der Hinweis das der Kondensator ne Vernünftige Type sein sollte. Nimm nen angegebenen Wima in 400 oder mindestens 300V~ (1000/600V=) Der Kostet beim großen C nur einen Euro und woanders etwas weniger. soviel Sicherheit sollte man sich schon leisten. So Leute,ich bin wech in lange Wochenende. Ihr wißt ja was morgen ist '-)
Nachtrag für Hubert und Daniel. (Jaja,bin ja gleich weg) Wenn rufus gerne "Lassen wir's" meint dann sollte er sich aber nicht vorher auf ein wortgefecht einlassen. Entweder man Diskutiert oder man läst es von anfang an. Einfach nur das letzte Wort haben wollen und dann als Abschluss auf Deinteresse machen sieht nicht so toll aus. So,und nu ab ins WE Winkewinke...........................................
@Sven: Stimmt, habe ich vergessen, als ich die restlichen 4 Leds noch hinzugefügt habe; Nina wollte ja 6 Stück haben. Ursprünglich waren nur 2 antipar. vorgesehen. Gruß Henrik
Bitte melde dich an um einen Beitrag zu schreiben. Anmeldung ist kostenlos und dauert nur eine Minute.
Bestehender Account
Schon ein Account bei Google/GoogleMail? Keine Anmeldung erforderlich!
Mit Google-Account einloggen
Mit Google-Account einloggen
Noch kein Account? Hier anmelden.


