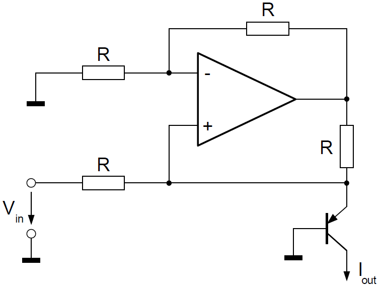
Hallo, ich hab eine Frage zur Schaltungsanalyse. Und zwar tue ich mich immer (noch) schwer damit, die geeigneten Maschen und Knoten aufzustellen um z.B den Ausgangsstrom (I=f(Vin,R)) oder die Übertragungsfunktion (Vout=f(Vin)) auszurechnen. Zum Beispiel im Angehängten Bild. Es gibt zig mögliche Maschen und ein paar Knoten. Wieviele Maschen, wieviele Knoten und vor allem welche? Gibt es da irgendwelche Tricks oder "Hilfsmittel", welche und wieviele Maschen, welche und wieviele Knoten? Nachdem ich alle Maschen und Knotengleichungen aufgestellt habe, weiß ich auch nie genau was ich jetzt in was einsetze :( Gibt es da eine allgemeine Vorgehensweise, z.B. die Maschengleichungen immer in die Knotengleichungen einzusetzen oder ähnliches? Wenn jemand eine gute Anleitung oder Hilfestellungen hat, würde ich mich freuen. Danke, viele Grüße André
Genau diese Schaltung hatte ich im Studium auch mal zu berechnen :-) Sind die Formeln aus nem Buch? Ich dachte, die Professoren denken sich selber welche aus...
Sind die Formeln aus nem Buch...ich meinte natürlich Schaltungen...
Bitte melde dich an um einen Beitrag zu schreiben. Anmeldung ist kostenlos und dauert nur eine Minute.
Bestehender Account
Schon ein Account bei Google/GoogleMail? Keine Anmeldung erforderlich!
Mit Google-Account einloggen
Mit Google-Account einloggen
Noch kein Account? Hier anmelden.
