Mit einem Tiny15 spiele ich Wave Dateien aus einem kleinen Flash Speicher ab. Das ganze wird mit einer Lithium Batterie gespeist. Als DA Wandler verwende ich den 100kHz PWM Ausgang des Tiny15. Im Moment habe ich einen 200Ohm Lautsprecher direkt an den PWM Pin gehängt. Aufgrund der Spuleninduktivität fließen auch nur wenige mA, die Stromaufnahme des uCs mit Lautsprecher liegt bei etwa 3-5mA je nach Lautstärke. Jetzt suche ich eine Möglichkeit das ganze etwas lauter zu machen. Dafür gibt es zwei Möglichkeiten: a) Die PWM irgendwie Puffern (um 4 oder 8 Ohm Lautsprecher treiben zu können) b) eine normale Audio Endstufe dahinterschalten. Nur fällt mir bei 3V keine diskrete Schaltung ein, und ein IC finde ich erst recht nicht. Eine Brückenendstufe scheidet aus, da eine Lithiumbatterie nur recht wenig Strom liefert.
Wie wäre es mit einer MOSFET Endstufe, du hast ja schon eine PWM, was spricht dagegen einen kleinen MOSFET anzusteuern zb. BSS138 und mit diesem direkt den Lautsprecher zu steuern ? Nur so'n eventuell dummer Einwand :-) Gruß Hagen
Dagegen spricht, dass ein MOSEFT nicht ausreicht, damit die Enstufe sowohl gegen +3V als auch gegen 0V schalten kann.
Wieviel Leistung brauchst Du denn? Der LM4861 könnte bei kleiner Leistung etwas für Dich sein: http://www.national.com/pf/LM/LM4861.html#datasheet bzw. http://cache.national.com/ds/LM/LM4861.pdf
@Benedikt: verstehe ich nicht ganz. Du hast eine digitale PWM und steuerst momentan damit direkt den Lautsprecher an. Der Lautsprecher selber dient also als "Glättungsglied". Um nun statt eine 200 Ohm Last direkt über den AVR ansteuern zu können würde der MOSFET doch nur die Möglichkeit geben direkt 8 Ohm zu treiben. Es ändert sich doch garnichts im Vergleich zwischen MOSFET und AVR Ausgang. Habe ich da einen Denkfehler drinnen ? Im Netz habe ich einige solche Schaltungen gesehen, ok sie schalten zum Lautsprecher in Reihe noch einen Kondensator. Gruß Hagen
Hallo, ich habe vor einiger Zeit auchmal ein kleinleistungsverstärkeric gesucht und bin auf den mc34119 gestößen: 250mW; betriebsspannung von 2-16V; stromverbrauch ohne eingangssignal: 2,7mA Ich denke das sollte genau das richtige sein...
Warum nimmst du nicht einfach einen 3,3V Logic Bustreiber ? 74LV125 oder ähnliches? 4 Stück parallel sollten 100mA schaffen. Robert
@Hagen Ein einzelner MOSFET bringt nicht viel, wenn schon dann bräuchte ich einen N und einen P Kanal. Allerdings gibt es beim Umschalten Verluste, da beide MOSFETs leitend werden. @Robert Gute Idee, das einfachste fällt einem irgendwie nie selber ein.
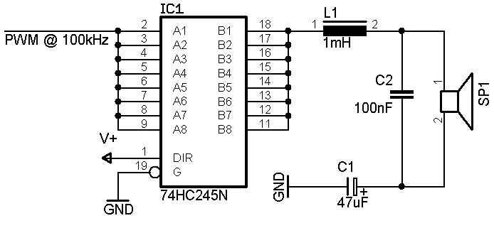
Alle 8 Ausgänge eines 74HC245 bringen schon ordentlich Audio Leistung, das könnte man fast schon als Zimmerlautstärke bezeichnen... Auf jedenfall ist der Vorteil diese Schaltung der hohe Wirkungsgrad (>90%) und der niedrige Ruhestrombedarf (512kByte Flash, ATTiny15, 74HC245) brauchen gerade mal 1uA bei 3V, wovon der HC245 das meiste benötig. Leicht kritisch ist C1, denn wenn dieser einen hohen Leckstrom hat und der Ausgang auf High Pegel bleibt, dann fließen hier einige uA mehr. Anfangs hatte ich OE\ auf High Pegel gelegt, aber dann zieht der HC245 rund 2mA ! Im Betrieb fließen rund 2-5mA in die Endstufe, die an einem 16 Ohm Lautsprecher rund 2Vss bei 3V Betriebsspannung liefert. Optimal ist das ganze warscheinlich bei etwa 16-100Ohm, je nach Betriebsspannung. Für einen Kopfhörer reicht das auf jedenfall, und die Klangqualität ist nicht mal so schlecht, eigentlich sogar recht gut.
Bitte melde dich an um einen Beitrag zu schreiben. Anmeldung ist kostenlos und dauert nur eine Minute.
Bestehender Account
Schon ein Account bei Google/GoogleMail? Keine Anmeldung erforderlich!
Mit Google-Account einloggen
Mit Google-Account einloggen
Noch kein Account? Hier anmelden.
