Hallo! Ich habe einen Atmega8 und einen hier bestellten ISP (lpt1). Ich versuche mit AVRdude v2.0 den Controller auszulesen (ist nichts drinne, da nochnie benutzt)... Ich habe +5V dauerplus auf den mega8 reset. Nun die Frage: Muss ich von dem ISP der einen Reset Ausgang hat, die +5V zwingend anlegen, da ich keine Kommunikation mit dem mega8 habe Folgender Fehler: avrdude: AVR device not responding avrdude: initialization failed, rc=-1 Double check connections and try again, or use -F to override this check. Oder muss ich in dem AVRdude noch irgendwelche einstellungen machen? (OS: WinXP) Oder ist der Controller evtl. zerschossen? Gruß Matthias
> Ich habe +5V dauerplus auf den mega8 reset. Bitte genauer? RESET direkt an VCC gehängt, oder was willst Du damit sagen? > Muss ich von dem ISP der einen Reset Ausgang hat, die +5V zwingend > anlegen, da ich keine Kommunikation mit dem mega8 habe Auch diese Frage kapier ich nicht. Irgendwo muss der Strom her und die üblichen Parallelport Dongles eignen sich dafür nicht so. Und jeder ISP hat einen Reset-Ausgang - geht nicht anders.
Der Reset-Ausgang am ISP ist nicht einfach für den Reset vom PC aus, sondern er ist für die Programmierung unbedint notwendig. Wenn Du gar den Reset vom Mega8 abschaltest, dann kannst Du ihn mit dem ISP nicht mehr programmieren. Markus
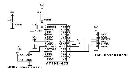
Hallo! Ja Reset an VC++ drangehongen (wie im Bspl. hier, siehe Grafik) Nur habe ich eben nicht vom Dongel den Reset angeschlossen, da ich das dann für überflüssig halte. Nun da ich aber keine Kommunikation habe, muss es an irgendwas liegen. Somit vermute ich das es entweder der Reset ist (was ich aber nciht glaube) sondern das der Kontroller geschrottet ist. Gruß Matthias
> Nur habe ich eben nicht vom Dongel den Reset angeschlossen, da > ich das dann für überflüssig halte. Ok, das hat dir den Dongle gerettet. Aber funktionieren kann es ohne die Verbindung von reset natürlich nicht.
Für dumme Fragen ist hier Rufus T. Firefly zuständig, bitte wende Dich direkt an ihn.
In dem schaltplan sieht man ja auch, dass man die RESET leitung vom ISP an den controller auch noch anschließen muss!
Jetzt bin ich einwenig verwirrt... Im Schaltplan ist das so eingetragen, aber da ich das nicht gemacht habe, ist der Dongel gerettet?!?!?! Wo muss ich dann den Reset dranhängen, oder soll ich die +V5 von VCC weglassen und dafür den Dongel dranhängen? Gruß Matthias
Also nach dem von dir geposteten Schaltplan geht der Reset direkt an den Programmieradapter. Nur ein Pull-up Widerstand ist an dem Reset (der natürlich nicht mit einem direktem Anschluss an +5V verweckelst werden darf).
> ist der Dongel gerettet?
Mit Reset an VCC und an ISP waäre letzterer wohl schon tot wg.
Kurzschluss. Mit Reset über Widerstand an VCC ist's jedoch ok. Bitte
sprachlich etwas präziser formulieren, denn Widerstand an VCC ist eben
nicht das gleiche wie "Ja Reset an VC++ drangehongen".
Warum machst Du es eigentlich nicht einfach so wie im Bild gezeigt? Das
ist nämlich genau richtig.
Korrektur: nicht genau richtig, nur fast richtig. 47pF ist etwas wenig, 47nF (10-100nF) besser.
Zur Zeit ist es wie auf dem Bild nur ebend mit dem unterschied, das der Dongel-Reset nicht angeschlossen ist, dazu müsste ich den einfach nur noch anschließen. Habe 47µF.. aber ich denke das müsste passen. Ok dann schließ ich nur noch den Reset an deiesen Punkt (zwischen Widerstand und Kondensatopr an, das sollte es gewesen sein) Aber kann das den oben genannten Fehler verursachen?
schon klar nur habe ich kein 47nF Kondensator... das ist das Problem Evtl. habe ich noch einen 1µF Kondensator... Das müsste das kleinste sein was ich habe... Spielt das an dieser Position so eine große Rolle, was ich dort habe?
also 47µF könnte gehen, aber wenn der programmer nicht direkt auf GND zieht, dann wird der reset erst später ausgeführt. Kommt halt drauf an, ob der programmer damit probleme hat. probieren kannst du es, aber es kann gut sein, dass es nicht funzt.
MM stimmt OK... Notfalls geh ich eben auf 1µF runter... Aber zu dem oben beschrieben Fehler, denk ich eher das ich mir den Controller zerbügelt habe bei irgend einem Verusch... In diesem Falle habe ich noch 5 ATMega8 und ich werde ihn diesmal nicht direkt an die Streifenraster Platine dranbruzeln, sondern ein IC Sockel nehmen.. den muss ich aber erst bestellen... mmm Passt schon Ok dann löte ich gleich mal den Reset fest.... Wenn es das aber nicht ist, was könnte dieser Fehler noch aussagen? Ich meine das der das Gerät nicht initialisieren konnte heisst ja nicht, das er es nicht Resetten konnte... oder ist die Fehlerbeschreibung von AVRdude einfach nur schlecht?
Na ich weiß ja nicht aber diese ganzen Fragen von wegen "wo muss ich denn (muss ich denn wirklich?) den reset dranhängen?" oder "tun's auch 47µF obwohl (wenn überhaupt) nur Keramikkondensatoren in der Größenordnung von 47pF verwendet werden?" könnte man sich wirklich sparen wenn man bevor es ans Basteln und Löten geht erst mal Datenblätter(!!!), App-Notes und viele viele Schaltpläne studiert, immer mit nem Blatt Papier und Kulli vor der Nase, erst mal versucht alles zu verstehen, sich dann Schaltungen ausdenkt und auf Papier bringt, vergleicht und dann erst aufbaut. Mach einfach alles genauso wie es schon tausende Leute vor dir gemacht haben. Die waren nämlich so clever und haben ihre Erfahrungen schriftlich festgehalten und manche von ihnen haben sie im Internet veröffentlicht. Dann wird's klappen und nix geht kaputt :)
> Aber zu dem oben beschrieben Fehler, denk ich eher das ich mir den > Controller zerbügelt habe bei irgend einem Verusch... Sag mal, wie oft muss man dir das sagen? Solange Reset nicht mit dem ISP verbunden ist, wird keine ISP-Programmer-Software den Controller erkennen. Basta. Und damit Du weisst worum es geht: Die AVR Controller werden per ISP nur während aktivem(!) Reset angesprochen. Danach sind die betreffenden Leitungen anderweitig belegt. Wenn Du Reset nicht beschaltest, besteht indes das Risiko, dass eine solche Doppelbelegung der ISP-Pins zum Konflikt führt.
Hi @All,
>47nF
Wenn man ganz viel Zeit hat, - dann tun es auch 1F!!!
Mannnnn ej - Bastler gibts! 10nF oder 47nF ist doch standart!!
Liebe Grüße
Tassilo
Mal nicht so garstig! Ich komme aus einer ganz anderen gegend und habe noch keinerlei erfahrung mit MCs. Wenn ich nirgends nachlesen kann wofür was gebraucht wird kann ich das nicht wissen! Außerdem habe ich oben geschrieben das ich ihn dranlöten werde. Ich muss auch meine Erfahrungen sammeln so wie ihr es auch getan habt! Und wenn jemand nicht Antworten will, dann lasst es doch bitte da ich sicherlich nicht ein zweites mal Fragen werde. Ich finde es nett das Ihr euch die Mühe macht um mir zu antworten aber Bitte nicht garstig werden! Danke!
Das kann man natürlich nachlesen, z.B. im Datenblatt des Mikrocontrollers. Da ist genau beschrieben, wie die verschiedenen Programmiermöglichkeiten benutzt werden (welche Pins, welche Spannungen, welches Timing usw. usf). Die Leute hier stört ja nicht, daß Du noch keine Ahnung hast, schließlich haben wir alle mal klein angefangen. Das Problem ist, daß Du trotz Unkenntnis ohne Not den funktionierenden Schaltplan verändert hast und glaubst, an Deiner Änderung könne es nicht liegen.
Ich habe nicht behauptet das es nicht an den Änderung liegt, tut es im Ürbigen nicht, da der Controller einen Schaden hat. Und bei dem Reset würde ich als einziges Argument gelten lassen das er die Spannung von +5V intern für sich nocheinmal braucht. Den Reset am Controller kann ich über einen Jumper spannunglos machen. => selbe... Also lassen wir das Thema ich werde das Problem schon finden Gruß und Danke
@Matthias: Du bist nicht der Erste bei dem ISP über LPT nicht (auf Anhieb) funktioniert. Du wirst auch nicht der Letzte sein. Im Datenblatt des jeweiligen AVRs werden die Programmierverfahren ausführlich erklärt, daher ist die Tatsache, dass RESET vom Programmer geschaltet werden muss, kein Geheimnis oder Geheimtip. Vielleicht sollte man erst die verfügbare Literatur lesen ehe man erprobte Schaltungen verändert. ...
Bitte melde dich an um einen Beitrag zu schreiben. Anmeldung ist kostenlos und dauert nur eine Minute.
Bestehender Account
Schon ein Account bei Google/GoogleMail? Keine Anmeldung erforderlich!
Mit Google-Account einloggen
Mit Google-Account einloggen
Noch kein Account? Hier anmelden.

